津滨轻轨先铰接后刚接的钢-混凝土混合框架墩设计
摘 要:结合跨疏港公路立交桥下部结构采用钢横梁钢筋混凝土墩柱组合框架墩结构,主要介绍框架墩的构造形式、计算模式、横梁与柱先铰接后刚接的连接形式以及施工方法等设计关键问题。关键词:框架墩; 钢横梁; 钢筋混凝土墩柱; 节点; 铰接; 刚接1 概述
既有疏港公路中央分隔带宽1. 2 m ,中央分隔带两侧各有12. 6 m 宽的快车道和4. 0 m 宽的慢车道;规划疏港公路中央分隔带加宽至2. 0 m ,两侧各有15. 0 m 的机动车道、3. 25 m 的非机动车道和0. 75 m 土路肩。框架墩跨度按规划路面设计,而墩柱截面以不超出既有中央分隔带为准设计。沿疏港公路连续布置4 个框架墩,上架5 22 m 简支钢混凝土结合梁。为达到公路部门的立交要求,框架墩的柱距达21. 0 m ,如墩柱与横梁采用刚接的形式,则框架隅节点处的固端弯矩过大,控制设计,针对这个难题,采用了恒载铰接活载刚接的结构形式。
2 结构构造
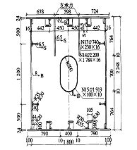
框架墩的柱距21. 0 m ,横梁采用钢结构, 钢筋混凝土立柱与钢横梁刚性连接。立柱采用矩形截面,纵向宽1. 7 m ,横向宽1. 1 m ,其一位于疏港公路中央分隔带内。柱顶1. 0 m 范围四周外包钢板,柱顶设一四周开椭圆形小孔、中央开0. 5 m ×0. 8 m 施工孔的钢板,柱顶钢板斜置,倾斜角度与钢横梁的梁端转角一致。钢横梁采用单箱单室截面,梁高2. 248 m ,梁宽2. 0 m ,梁全长23. 5 m。钢横梁上、下翼缘板内侧焊有纵向加劲肋,两侧腹板内侧焊有2 道水平加劲肋,横梁内每隔2 m 左右设1 道横隔板,并且在顶梁平台及支座位置增设横隔板,隔板之间设竖向加劲肋,水平加劲肋沿全梁通长,遇有竖向加劲肋处将竖向加劲肋断开,钢横梁断面见图1。钢横梁框架墩减小了结构的自重,可通过施工过程的控制实现计算假定 恒载铰接、

图1 钢横梁断面(单位:mm)
活载和温度力刚接;另外,钢横梁采用吊装施工,不必满布支架,更好地保证了疏港公路的正常交通。钢横梁两端上、下翼缘板对应立柱位置开0. 5 m ×0. 8 m 的施工孔,待混凝土浇筑完毕再用钢板补齐。另外,钢横梁下翼缘板在靠近立柱附近开0. 5 m ×0. 75 m 的进人洞,设活动门。钢横梁下翼缘板对应立柱位置开椭圆形小孔及施工孔,开孔位置、尺寸均与柱顶钢板一致, 连接钢筋自小孔中穿出,钢筋布置完毕后,把柱顶及钢横梁柱顶段浇筑成混凝土整体,以实现墩柱与横梁的刚性连接。柱顶钢板构造见图2。3 结构计算
本设计采用恒载铰接、活载刚接的计算模式,即施工时将钢横梁置于柱顶,只穿入节点连接钢筋,暂不浇筑节点混凝土,此时横梁与墩柱按铰接计算;上部结构梁跨架设完成、二期恒载施工完毕后,自钢横梁顶板预留施工孔处浇筑节点混凝土,使横梁与墩柱刚接,则运营阶段的横梁与柱是刚接的。铰接的钢横梁在恒载作用下产生变形,为了尽可能地释放墩梁节点处的横向弯矩,柱顶作成斜面使柱顶与变形后的底板密贴。这种计算模式给施工带来了一些麻烦,但大大减小了墩梁节点处的横向弯矩,解决了柱顶截面不能抵抗恒、活载均固接时产生较大横向弯矩的问题。

图2 柱顶平面钢板构造示意(单位:mm)
铰接时横梁按简支梁计算,刚接时采用北京大学结构工程软件中心开发的《SAP84 结构分析程序》计算刚架的内力、变形。节点固接与恒载铰接-活载固接的节点横向弯矩分别为6 727. 19 、3 355. 55 kN· m 。实现以铰接方式减小节点横向弯矩的关键是使柱顶预留倾角与横梁变形一致,如不一致,因柱顶对横梁的支承面较大,仍将把横向弯矩传递到墩柱上,不能起到完全释放恒载弯矩的作用。梁端转角 θA = Pab(L + b)/ 6 EIL 式中 P 作用在梁上的集中力; a 集中力作用点至A 端的距离; b 集中力作用点至B 端的距离; L 梁的跨度; E 抗弯弹性模量; I 梁横截面惯性矩。计算梁横截面惯性矩时,只计入上、下翼缘板,纵向水平加劲肋和纵向通长加劲角钢,不计横隔板和竖向加劲肋对横梁刚度的影响。因梁端转角的理论计算值与实际值之间可能存在偏差,计算时预留了一定的安全储备。横隔板必须是一个既能保持箱梁的截面形状,又能合理地将支点反力传给箱梁的结构。设计中对支点上承受集中反力的横隔板做了构造上的特殊处理。其中包括减小横隔板中央的检查孔、在支点位置设竖向加劲肋与横隔板形成十字交叉。支点横隔板截面见图3 。假定支点集中力自支座边缘按45°角向横隔板扩散,计算横隔板的正应力和剪应力,计算方法详见(日) 小西一郎编《钢桥》(第二分册钢板梁) 。
图3 支点横隔板截面示意(单位:mm)
框架墩基础采用钻孔灌注桩, 疏港公路管理部门要求中央分隔带内的承台要尽量小,以减小施工干扰。为了满足这一要求且避免群桩横向多排布置时在横向、纵向弯矩(主要是横向弯矩) 的合力作用下受拉区最外侧的单桩承载力出现上拔力, 设计中采用3 根< 1. 5 m 的桩沿疏港公路单排布置, 避免了框架墩较大的柱底横向弯矩对群桩的不利影响, 同时也满足了公路部门的要求。4 施工方法
因涉及横梁与墩柱连接体系转换的问题,要求墩梁固接处的混凝土分阶段灌筑,以实现设计目的,对钢梁及柱顶钢构件的加工要求也较高。首先,施工时两侧墩柱要精确定位,定位误差不超过5 mm ;其次,钢横梁加工、柱顶钢构件的加工,特别是柱顶钢板的椭圆形孔和横梁下翼缘板的椭圆形开孔位置应在满足钢结构制造规范的基础上,尽量减小制造误差。框架墩的施工方法详见表1 。
我院在钢混凝土混合框架墩设计过程中攻克了先铰接、后刚接结构构造,体系转换,施工控制等技术难题,结构设计新颖、技术先进、经济效果突出。但是, 跨疏港公路立交桥的设计是在要求设计周期、施工周期都很短的背景下完成的,并且公路的路面形式、行车要求对框架墩的结构尺寸有很多不利的限制,设计时尽力使结构受力合理、施工快捷,并尽量减少对疏港公路正常交通的干扰。在更有利的背景续表1 条件下,相信这样的结构可以设计得更合理、更简洁。
表1 框架墩施工顺序


