一种简单的环网供电方案的研究
摘 要:本文介绍了一种简单环网供电方案及相应的配网自动化系统的构成原理及可靠性分析,为城市轨道交通的环网供电系统提供了另一种选择方案。关键词:环网供电、配网自动化
一、前言
我国已经建成的地铁及轻轨的供电系统基本采用集中供电方式,电压等级有两种模式:一种是110kV/35kV/10kV的三级电压供电模式;另一种是110kV/35kV两级电压供电模式。经过技术、投资等比选后,两级电压集中供电方案逐渐占据了主导地位,成为现代城市轨道交通供电系统的主流。这种供电系统不论是供电质量,供电可靠性,损耗等各项指标,都是比较优越的。在保护配置方面,环网供电系统一般设置纵差保护及电流保护。当某段环网电缆发生短路故障时,纵差保护作为主保护能迅速区分故障段,保证了非故障段的正常供电。然而,根据广州、上海、北京、天津等城市地铁的运营经验来看,发生环网电缆故障的概率实际上比较低,而现行方案虽然性能高,但投资也比较高。本文试图提出一种简单的环网供电方案,降低工程造价。
二、简单环网供电方式
实际上,现行的环网两级电压集中供电方式的核心是多支路分束供电,由主变电所35kV母线分别引出几个供电支路,每个支路可挂接3个左右的牵引降压变电所;有来自不同变电所的两个支路通过分段开关互相联通,保证当一个主变电所解裂时另一个主变电所的支援供电。这种供电系统的主要特点是环网进出线均为断路器,环网电缆的主保护为纵差保护。对于简单环网供电来说,核心内容是将环网进出线断路器更换为三工位电动隔离开关,相应地取消35kV环网电缆光纤纵差保护,如图一所示。这种方案的特点是投资大幅降低,环网故障时电流保护跳闸时间短,保护配合容易实现;缺点是故障后倒闸作业时间相对较长,大约4~6秒,比进出线为断路器的方案略长2~3秒。也就是说,在机车运行过程中如果发生环网馈线故障,在6秒钟内应该保证故障判断、故障区段的迅速切除以及备用电源的自动投入,而6秒钟的时间机车不会马上停止滑行,这样在机车运行过程中即能保证重新受电。要保证这一点,我们必须引入配网自动化系统。
实际上与这种环网供电方案相配套的是一套实现站间信息传输的综合配网自动化系统,它是在主变电所及各牵引降压变电所的综合自动化系统的控制信号盘内安装有智能通信模块,模块间通过光纤连接,以实现同一束供电网络内的所间信息资源共享。配网自动化系统用于实现同一配电网络支路的各变电所上位机之间的数据采集与控制,数据传输和数据处理。对于智能通信模块,应能实现数据采集,SOE,校时,数据接收和传送功能以及控制功能。对于主变电所的智能通信还应能进行数据检测、追忆、自动装置功能等。数据通信网络可采用共线或首尾相连的自愈型环网连接方式。主变电所上位机负责询问和接收各牵引降压变电所的被控对象的实时位置、测量值,并对被控对象实现自动控制,采集方式可以采用轮询或主动上报两种模式,正常情况下采用轮询方式,当有重要时间发生时(如采用故障信息或开关变位)时,采用主动上报方式,保证重要事件的实时性。对于各牵引降压变电所的控制信号盘中的智能通信单元的功能要求如下:
(1)SOE功能:记录系统状态量变化的时间和先后顺序,每一记录点均带时标。
(2)对时功能:接收、判断控制中心GPS对时信号。
(3)通信功能:可采用CANBus,以太网接口,专用MODEM和RS485总线模式,抗干扰能力较强。
(4)自诊断功能:装置自动检测设备本身运行状态,自身故障时可及时上报告警。
(5)电流及电压数据采集功能:能采集各相电流及母线电压,并能进行电流方向判断。
(6)故障检测功能:装置根据采集电流的大小及设置的定值能快速做出故障判断,甚至间隙性故障的判断,并能将故障信息、性质主动上报主变电所上位机。
(7)保护功能:该装置具有保护功能及满足保护装置所要求的速动性,灵敏性,可靠性的参数要求。
(8)数据存储功能:定值数据具有存储及掉电保持功能。
(9)故障分析功能:主变电所的智能通信单元能根据各变电所的上送信息判断出故障电缆区段。
(10)远程通信功能:能将相关信息上送SCADA控制中心主站。
三、短路保护及自动装置功能分析
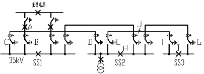
附图一表示了环网供电的一种情况,即主变电所的两条馈线向各牵引降压变电所供电。正常运行时所有进出线电动隔离开关均处于合闸位置;当J点发生短路故障时,主变电所断路器A迅速断开,A断路器的保护信号启动主变电所智能通信模块,该智能模块随即查询本供电网络各上位机智能通信模块的电流值及设备状态数据进行综合判断。很显然,在J点至主所之间同一供电网络中的所有检测电流的地方都应该保护动作信号,而F点没有,因此主所可以判断出故障是发生在E、F之间;接下来是切除故障了的环网电缆E、F段,并启动相关所内的母联自投功能。母联自投功能模式嵌入到变电所智能通信模块中,这样减少通信环节,提高了自动装置功能的可靠性。母联自投功能是分开出线电动隔离开关E及进线隔离开关F,并自动合闸母联断路器H,母联断路器执行完操作后自动合闸主变电所馈线断路器,这一系列的操作均由主变电所智能通信单元指挥完成。

图一 一种环网供电方案示意图
当图中所示变压器故障时,变压器断路器应迅速断开,对环网供电不受影响,但当断路器失灵时,由主变电所馈线作为后备跳闸,如果是这种情况,母联断路器则不进行自动投切操作。四、配网自动化系统的可靠性分析
对于配网自动化系统有些关键环节,如:电流输入与采集,网络通信,保护系统等,这些环节的好坏直接影响到牵引供电系统的可靠性和稳定性,下面分别加以分析,从而找出提高可靠性的方法。
(1)保护系统
保护系统相对独立,在环网上任一节点故障时主变电所馈出线的保护均应动作,保护迅速切除故障段,最快能达到0.7s。环网牵引供电系统的短路水平一般不超过7000A,对于单相短路,依据主变电所是小电阻接地还是接地变压器的接线形式,这两种方式一般不超过1000A;按照这两种短路水平,电缆有一定承受能力,因此这种保护配置能使发生故障的环网电缆较快的从系统中退出运行,以最大限度地减少对一次设备的损坏,降低对供电系统安全供电的影响,在保证选择性、灵敏性、速动性和可靠性的前提下大大简化了保护配置。
(2)电流输入与采样环节的可靠性分析
电流采样环节的故障主要有两种可能:一种是电流互感器与上位机智能模块之间的通路故障,这种故障发生时电流互感器可能已损坏,对于这种情况,假设J点发生故障,那么J到主所之间相应隔离开关处均能检测到故障电流,如果主所上位机未收到D处的故障电流值,而A-E之间的电流采样点均能采集到故障电流,则可以认为D处的电流采集回路发生了故障,环网故障判断及自动投切功能均不应受影响;如果隔离开关E处未检测到故障电流,F处也未检测到, A、B、C和D处均检测到了,而实际上是J处发生了故障,则应在主所断路器A处发生故障跳闸后,只分开隔离开关D,并不进行该所的母联自投,但在末端所可分开隔离开关F后再进行末端所的母联自投,这样只影响其中一个所的正常供电,对系统的运行影响不大。从另一个角度也可以表明,这种配网自动化系统适合于3~4个变电所为一组的环网供电系统,这样即使是这一组供电分区停电,对整个地下铁道或轻轨的环网供电系统的影响都是较小的。另一方面。如果当J点发生故障,而此时主所到J点之间任何两个电流采样回路发生问题时系统仍能进行正确的判断。
另一方面,如果整个一个变电所的所有电流采样回路均发生故障时,只有两种可能,一种可能是通信模块发生了故障,另一种可能是站间通信发生了故障。对于第一种可能,解决办法是对通信模块采用冗余配置模式,一个模块故障时可自动切换到另一个模块工作,或者采用非冗余配置模式,但一个模块故障时应闭锁自动投切功能;另一种可能是通信网络发生了故障,为了避免这种故障,可以采用主备通道方案或共线的通信传输方式,可采用CANBus、DNP3.0及以太网等多种网络规约模式,可采用轮询、冲突检测等多种网络通信手段保证网络通信的可靠性。
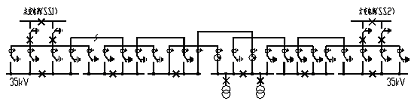
五、简单环网供电支援方案
对于简单环网供电系统,供电支援系统如图二所示,图中当SS1主变电所失电时,SS2主变电所向SS1主所支援供电,并通过SS1母线向原SS1主变电所的其它供电支路

图二 简单环网供电方案支援方案
支援供电。这里边实际上是分析在SS2主变电所向SS1主变电所支援供电时,配网自动化系统是如何运行的。正常供电时SS1与SS2之间的配网自动化系统是在分断开关处分区的,实际上在两个主变电所之间,当SS1失电,由SS2向SS1支援时,虽然有两个网络运行,但SS1侧的网络的工作模式应有所改变,因为在SS1至分段开关之间的环网如果发生短路故障,SS1处的馈线开关是不会跳闸的,但此时相关故障电流信息是能够上送SS1主变电所上位机智能模块的,而且该信息可以经该上位机模块上送SCADA控制中心主站。鉴于此,我们可以得到两种解决方案,一种是如果在支援供电时被支援区段发生故障,可由控制中心主站操作员指挥切除故障电缆区段,并恢复供电,这种方案使得配网自动化的网络较简单,但倒闸时间会延长,但考虑到已经是两重故障了,发生的概率已非常小,也是可以接受的。第二种办法是在联络开关处将两个自动化网络联络在一起,并能通过远方/当地设置独立或共同运行模式,也就是说,当SS2向SS1支援时,SS2处的智能模块可以访问SS1供电区段的各点的电流信息,这种方案唯一的缺点是在两个网络合并时,网络上挂接的节点数会增加,影响了网络通信速度。比如CANBus,在网络传输距离为1.3km时速度为50kbps,在网络传输距离为30km时速率为5kbps,一般情况下SS1与SS2之间的传输距离为10km左右,速度有一定影响,但还是可以接受的。六、对运营的影响
这种供电网络对运营的影响主要是在倒闸作业、越区供电、故障判断及恢复上,关键是操作时间及可靠性。对于SCADA操作来说,隔离开关与断路器之间的联琐可以通过控制中心的软件闭锁实现,但是当地操作如何解决安全联琐问题呢?因为配网自动化系统的存在,变电所馈线断路器的合分位信息能下传到有关的变电所,在进行隔离开关的操作时,应先判断变电所相应馈线断路器的位置后才能操作,这一安全闭锁的判断可以经过上位机的软件实现,如果这一环节失灵,而且远动操作也失灵,可以通过调度员工作票的形式解决。利用配网自动化的另一个好处是,在当地操作主变电所馈线开关时可先判断下属所内相关三工位开关的状态,如果三工位开关在接地位置,变电所馈线断路器可拒绝合闸。
在这种环网供电方式下,正常倒闸作业可以这样规定:先依次合闸环网隔离开关,再合闸主变电所相应馈线断路器,然后逐一合闸各相关变电所变压器回路断路器;合隔离开关命令可以由SCADA控制中心通过程控卡片操作,也可以利用主变电所上位机通过“广播”方式同时向各相关变电所下达合闸命令。越区供电操作可由SCADA控制中心的调度员指挥调度。值得一提的是,因城市轨道交通系统的牵引降压变电所大多属于无人值班方式,主要的操作应在控制中心,只有当检修时才有人去变电所,这时的操作以单控为主。
七、国产化分析
在这种简单环网供电系统中最关键的两个设备,三工位电动隔离开关和配网自动化系统。随着技术的进步以及许多中外合资企业的诞生,开关设备的质量有了显著的提高,对于三工位电动隔离开关,不论是35kV等级的还是10kV等级的应该说是成熟产品,相关有实力厂家都有可靠产品。关键的参数是操作次数,因隔离开关为无载型的,其操作寿命一般较长;另外可以采用AIS小车式的电动隔离开关。值得一提的是,目前尚无35kV负荷开关,而10kV负荷开关则属于成熟产品,国产设备性能也有很大的提高,所以对于10kV环网供电系统来说,应优先选用负荷开关,这样环网恢复供电的操作顺序合乎人们的习惯。
随着微机技术和通信技术的发展,综合自动化系统的技术含量和可靠性越来越高,我国在微机方面的发展速度相当快,尤其是SCADA系统等技术已经取代了有关国外供货商,为我们在工程中可靠地应用提供了良好的保证。目前配网自动化系统在上海等城市小区供电及城市供电系统中已经得到了应用,生产配网自动化的厂家由引进技术到发展拥有自主知识产权的产品过程已经完成,因此该技术在城市轨道交通系统上的应用不会成为瓶颈问题。
八、工程的可实施性
该方案的技术难度并不复杂,接口主要有电流数据采集部分及站间数据传输技术,需要少许电缆和光纤转接工作,对于电缆连接属于常规的工程施工,光纤接口相对较复杂,需要光纤转接盒等设备及工艺,但这项技术可以通过工厂化施工方法解决,也就是说尾纤等可在工厂提前制作,现场安装,这种施工在广州地铁及上海地铁等各大工程中都已得以应用,因此具有工程可实施性。
九、结束语
这种简单环网供电方式与现行供电方式没有太大的区别,只是将断路器换成三工位电动隔离开关或负荷开关,同时取消纵差保护,因此只是环网运行方式发生了变化。这种设计的主要特点是环网设备简单,投资低,工程量小,施工周期短,自动化程度高,尤其是对于10kV环网供电系统,由于有成熟的10kV负荷开关产品,使得环网供电的操作灵活性有了显著的提高;主要缺点是倒闸时间较长,但考虑到环网供电系统的设备平时很少操作,并且环网电缆故障率较低,这种方案也是一种选择。

