津滨轻轨1 号桥施工工艺及质量控制
摘 要:津滨轻轨工程1 号桥是国内轻轨桥梁中最长的桥梁,介绍该桥的施工工艺,以及在桥梁长、跨度组合多、结构形式复杂等条件下,通过加强施工过程各个环节的质量控制,保证工程质量的措施。关键词:高架桥; 施工工艺; 质量控制1 工程概况
津滨轻轨一期工程全长45. 409 km , 高架桥梁全长40 km , 包括1 号~4 号桥。 1 号特大桥自天津河东区光华路开始,止于塘沽区八堡村北, 全长25. 313 km , 正线桥梁全长24. 593 km 。沿途设9 座高架车站(图1) ,1 号桥工程是目前国内轻轨桥梁中最长的,4 次跨越等级公路,5 次跨越城市主干道,6 次跨越铁路,其中包括京山铁路干线; 还具有跨度组合多、结构形式复杂等特点。

图1 1 号桥平面
1. 1 主要桥梁型式(1) 预应力混凝土连续梁 (25 + 25 + 25)m ,(20 + 25 + 25)m ,(20 + 30 + 20)m ,(25 + 30 + 25)m ,(25 + 40 + 25)m ,(25 + 35 + 25)m 等6 种;
(2) 钢筋混凝土箱梁 3 ×20 m ,6 ×21 m ,(22. 28 + 22. 29 + 22. 28)m ,20 m 等32 种;
(3) 钢混结合梁 5 ×(3 25 m) ,5 ×22 m ,1 50 m 等3 种。
本桥的基本跨度是3 ×25 m 预应力混凝土连续梁、3 ×20 m 钢筋混凝土连续梁,其余39 种跨度为特殊地段、配跨等要求设置。
1. 2 在控制或影响线路方案的3 个工点,采用了技术复杂的桥梁结构型式
(1) 跨津塘路 上部结构采用5 ×(3 25 m) 钢混结合梁,下部结构采用预应力混凝土框架墩。
(2) 一跨疏港公路 上部结构采用5 ×22 m 钢混结合梁,下部结构采用混凝土框架墩,其中横梁采用钢结构,墩柱采用钢筋混凝土。
(3) 一跨京山铁路干线 梁部结构采用1 50 m 钢混结合梁。
该桥一般地段为双线桥,无碴桥面,总宽度为8. 9 m ,U 型桥台,钻孔桩基础,钢筋混凝土墩柱。在东丽区的停车场出入线、大无缝联络线等特殊地段还有单线桥、多线桥。
2 质量目标
该工程质量目标是确保天津市优秀工程,争创鲁班奖;并建成快速、安全、舒适、方便、准时的城市快速轨道交通。
3 施工工艺及质量控制
3. 1 施工测量控制
施工测量对于长大桥梁,尤其是一次铺设无缝线路的轻轨工程,是施工中最基本也是最重要的工作。在施工中不论是桩基、承台、墩身还是梁部、轨道等,测量控制是贯穿始终的。
(1) 施工定线测量 1 号桥工程纵向是一条狭窄的带状地带,要准确无误地定位一条高架轨道线,必须建立一个精密的平面和高程控制网,严格的测量实施办法。要抓好总控制单位、施工单位和监理单位的测量管理工作。
(2) 线路中线调整测量 分标段施工的线路中线贯通后,应根据贯通误差进行中线调整测量。分标段施工的相邻墩位、中线和导线点进行联测,相互进入相邻标段的联测长度不小于500 m 。
各相邻点间纵、横向中误差不应超过下述限值:
① 直线 纵向为±10 mm , 横向为±5 mm ;
② 曲线 纵向为±5 mm , 曲线段小于60 m 时横向为±3 mm , 大于60 m 时横向为±5 mm ;
③ 高程测量 高架线路施工高程控制测量, 应按二等水准测量进行, 水准路线闭合差应在±8L 0. 5 mm 之内(L 为导线长度, 以km 计) 。墩梁高程校差应小于5 mm 。
3. 2 桥梁施工工艺及质量控制
3. 2. 1 通用做法
(1) 全线桥梁桩基
① 自制4 m 长的检孔器检测:100 % ;
② 超声波检孔仪进行成孔检测:3 % ;
③ 桩身混凝土无损检测:100 % ;
④ 桩身静载试验:1 % 。
(2) 大块整体钢模
墩身托盘、梁部采用大块整体钢模,一次浇筑完成,保证了墩、梁线形平顺,外形美观。
(3) 满堂支架施工前的预压
采用满堂支架进行梁部现浇施工的,除了对地基进行处理外,都必须进行预压,以取得梁底预拱度的参数, 保证支架拆除后梁的线形。其参数可以用在支架新旧程度、墩高、地基、每延米梁重均相当的梁部施工上。
(4) 预应力混凝土连续梁 (25 + 25 + 25)m 预应力混凝土连续梁是全线梁型中采用最多的,约占梁总数的75 % , 其设计中的孔道摩阻是否与实际相符,预应力桥梁徐变与无碴轨道施工时间关系是否满足设计要求,均需要通过试验取得相关数据,以指导全线施工。通过试验,得出以下结果:
① 孔道摩阻基本与设计相符(实测比设计值大 0. 5 %) ;
② 在保证混凝土质量(配合比、材质、强度、弹性模量) 达到设计标准的前提下,可以在预应力张拉3 个月后浇筑桥面承轨台;
③ 如果要在预应力张拉后50 d 进行桥面承轨台施工,则在施工前的混凝土弹性模量试验值不能小于 41. 4 GPa ;
④ 预应力张拉后不足50 d , 不能进行桥面承轨台施工。
3. 2. 2 重点桥梁施工
(1) 预应力混凝土连续梁
支架法施工技术除应考虑梁体质量、模板质量、支架自身质量、施工荷载、风荷载外,冬季施工还应考虑雪荷载和保温养护设施荷载等因素,进行支架的承载力和稳定性检算。支架结构卸载应根据不同桥梁结构的要求,采用适当的落梁方式,以避免梁体受损。施工工艺如图2 所示。

这几项变形值之和, 即为应设置之预拱度f 拱,δ1 δ3 、由设计提供,δ2 、δ4 可由预压提供经验数值确定。 ② 模板安装 钢模板由侧模、内模、底模和端模组成。侧模由整体钢模板组成,并配有相应的装、拆机构;底模为竹胶板;内模为拼装式木模。
③ 混凝土灌筑及养生 尽量避免冬季施工;须采取适当的缓凝措施,调整混凝土的初凝时间;确保混凝土的灌筑强度,保证梁体混凝土在初凝时间内完成灌筑作业;当梁体混凝土灌筑完成,即应按规定覆盖,进行养护。
④ 预应力筋制作与张拉 高压油表和千斤顶须经过校验合格后方可使用并按要求操作,严禁一端张拉。
(2) 一跨疏港公路钢混结合梁
本桥位于天津市大无缝与新五村之间,斜跨疏港公路,交角为25. 9°,设计为5 22 m 的简支钢混结合梁。钢梁为双箱单室敞口截面,门式框架墩垂直于疏港公路平行布置,立柱中心间距为21. 0 m , 跨半幅公路。墩顶上采用单箱单室钢箱横梁截面,长23. 5 m 。在快速轨道交通工程中还属首例。本桥框架墩跨半幅疏港公路,既不能改道,又不能影响疏港公路的正常通行,施工难度大、危险性大、干扰大,施工特点如下。
① 门式框架墩身施工 墩身用整体钢模现场拼装,钢箍以下墩身一次浇筑成型,再用20 t 汽车吊将墩顶钢箍吊装到位。
② 钢横梁安装 用1 台150 t 汽车吊吊装框架墩钢横梁,使横梁和钢箍顶板预留孔对齐(图3) 。

图3 框架横梁吊装示意(单位:m)
③ 主梁和横系梁安装 用1 台90 t 汽车吊吊1 片主梁就位后,先将主梁两端横系梁装上,再吊装另1 片主梁并与横系梁连接(图4) 。
图4 主梁吊装示意(单位:m)
④ 桥面板施工 为了保证疏港公路的运营,采用挂板施工。(3) 一跨京山铁路干线钢混结合梁
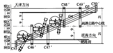
梁位于中心庄与大无缝之间,斜跨京山铁路,交角为28°,钢混结合梁全长50 m , 钢梁总重2 240 kN , 分为2 个箱梁体,中间用横隔梁连接。因离铁路太近,必须封锁铁路,在规定的时间内完成架梁。施工时钢梁分为2 片,分别将钢梁横移至纵向滑移轨道,用卷扬机纵向拖拉至指定位置,然后一端用160 t 吊车吊起,另一端用200 t 履带吊吊着旋转,再走行至预定安装位置。当2 片钢梁就位后安装横隔梁组成一体, 最后进行桥面板施工(图5) 。具体施工方法如下。

图5 吊装钢梁顺序平面布置
① 施工准备 在现场拼装钢梁,试装横隔梁,确保各栓接位置满足要求。进行钢梁试移、试吊。② 铺设拖拉梁轨道 在指定位置搭设枕木垛平台,铺设轨排,放置运梁小车,将钢梁吊至运梁小车上, 见图6 。
③ 旋转移梁 当梁拖拉到预定的吊装位置时栓绳扣,2 台吊车同时起吊,履带吊车吊着走行至预定安装位置落梁就位。

图6 拖拉梁示意(单位:m)
4 结语目前,津滨轻轨1 号桥已经全桥贯通,仅用了2 年时间,其速度在国内轻轨建设中是领先的;而其工程质量的优良,与施工过程中各个环节施工工艺的落实和严格的工程质量控制是密不可分的。
原作者:翁卫军,于泳湖
来源:《铁道标准设计》

