北京市快速轨道交通西直门-东直门城市铁路工程(以下简称城铁工程),西起西直门东至东直门,线路全长约40.5公里。设有西直门、知春路、上地、霍营、立水桥、望京西和东直门等16座车站。每座车站均设有变电所,其低压配电系统负责提供车站动力照明各种设备的电源。
1.低压配电系统运行方式:
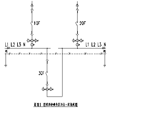
低压配电系统主接线为分段单母线,设有母线分段开关。附图1为进线和母线分段开关一次接

线图。进线开关1QF、2QF和母线分段开关3QF之间设有联锁,严禁2个进线开关和母线分段开关同时合闸。进线和母线分段开关为就地、远方(控制中心)两级手动控制,并具有“失压自投、过流闭锁、来电自复”和“合闸防跳”功能。进线开关和母线分段开关的状态,包括开关合、分闸状态和故障跳闸信号全部上传控制中心。下文中手动控制包括就地和远方控制开关合、分闸。
运行方式1:分别手动操作闭合两个进线开关,母线分段开关为断开状态。两路进线同时供电。此运行方式为正常运行方式。
运行方式2;手动闭合任一个进线开关和母线分段开关,另一个进线开关为断开状态。或在运行方式1时,手动操作任一进线开关跳闸,母线分段开关不自投,可手动操作母线分段开关合闸。由一路进线电源带变电所全部一、二级负荷。三级负荷可根据变压器运行情况,选择全部自动切除、部分切除或不切除。
运行方式3:在发生非低压系统内部故障造成的进线电源失压后,进线开关延时自动跳开(延时时间需与上一级开关的自投时间配合),母线分段开关自动投入。当失压电源恢复,母线分段开关自动跳闸,进线开关自动恢复合闸,完成“失压自投、来电自复”的功能。由一路进线电源带变电所全部一、二级负荷。三级负荷可根据变压器运行情况,选择全部自动切除、部分切除或不切除。
运行方式4:当低压系统发生短路故障,造成任一进线开关跳闸,母线分段开关闭锁不自投。实现“过流闭锁”功能。此时低压配电系统为单电源供电,并承担本段母线的全部负荷。一级负荷实施双电源末端切换,故障母线的二、三级负荷停止供电。
●几点说明:
在变压器中压馈出开关合闸后,两路进线开关未闭合前,母线分段开关不能自动投入,但可手动操作合闸。
当低压母线系统短路故障,发生变压器中压馈出开关越级跳闸,使低压进线开关失压跳闸时,母线分段开关闭锁自投。在城铁工程中此闭锁关系没有设置。
当1#进线开关1QF失压跳闸,母线分段开关自投,由2#进线供电时,而该供电电源也发生失压,由于低压操作电源消失,且2#进线开关2QF没有装设失压脱扣器,因此2QF开关不会跳闸。当2#进线电源先恢复,开关状态没有变化,仍为1QF开关断开,2QF开关和母线分段开关3QF闭合;当1#进线电源先恢复,母线分段开关断开,2QF开关失压断开,1QF开关自复合闸,母线分段开关再次自投。
2.操作电源:
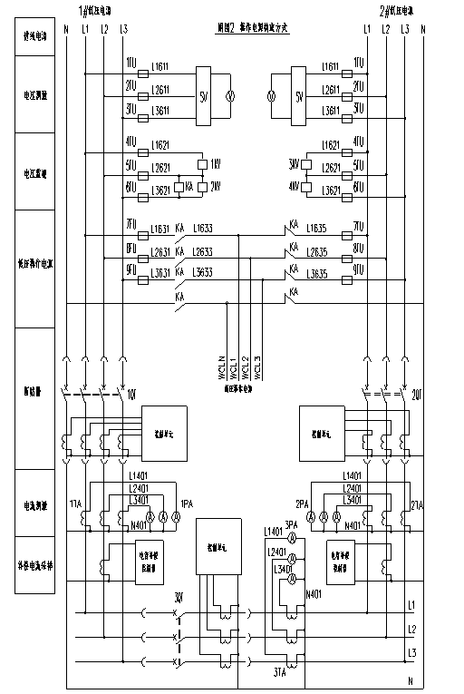
城铁车站设有牵引降压混合变电所或降压变电所,在牵引降压混合变电所中设有直流电源屏,为中压开关柜、直流750V开关柜设备提供直流操作电源。在降压变电所中,没有设直流电源屏。变电所低压开关柜设备的操作电源统一采用交流操作,操作电源的构成方式见附图2。
变电所低压配电系统采用PLC(Programmable Logic controller)装置实现对开关设备的控制、信息采集和通讯。低压配电系统采用交流操作电源时,相应PLC装置的电源也引自此操作电源。当两个低压进线电源同时失电时,交流操作电源也将失电,造成PLC装置无法进行通讯。牵引降压混合变电所的通讯控制器由直流操作电源屏通过逆变器供电,降压变电所设置UPS装置。通过了解中压系统开关设备、配电变压器的状态和低压配电系统通讯故障,判断出低压两个电源故障。
低压配电系统的操作电源也可采用直流操作电源,具有电源可靠、故障判断简单等优点。缺点需增加设备投资。对于北京城铁工程,需要在降压变电所增加直流成套电源装置,按照设备招标的情况,需增加投资20余万。

3.进线、母线分段开关操作控制分析:
城铁工程低压控制要求:
进线、母线分段开关只能有两个开关同时为合闸状态。
进线、母线分段开关具备“合闸防跳”功能。
进线开关手动操作分闸,母线分段开关不自投。
无论开关为就地控制、远方控制,进线和母线分段开关均能实现“失压自投、过流闭锁、来电自复”的功能。
母线分段开关抽出后,进线开关能够合闸。
进线开关操作控制分析:(以1QF开关为例)进线开关的控制原理图见附图3:

●就地控制
●开关合闸
转换开关1SH在“就地”位
电压继电器1KV和2KV带电,其常开接点为闭合状态;“电源得电中间继电器”1KA也带电,其常开接点为闭合状态。
闭合按钮1SB,双位置继电器1KSW动作线圈得电,继电器的常开接点闭合,常闭接点断开并保持。
在合闸回路中,1KSW的常开接点为闭合;3KT的常闭接点为闭合; 1KA 常开接点为闭合;开关辅助常闭接点1QF 为闭合;母线分段开关未合闸,母线分段开关位置中间继电器5KA的常闭接点为闭合。合闸回路接通。
开关合闸后,在合闸回路中,开关辅助常闭接点1QF 打开,切断合闸回路。开关合闸操作完成。
在分励脱扣回路的开关辅助常开接点闭合,具备手动分闸和失压跳闸条件。
●合闸防跳
在事故防跳闭锁回路中,开关合闸后,开关辅助常开接点1QF 为闭合,1KSW常开接点和1KA常开接点已经闭合,此回路接通。3KT得电并自保持。由于其在合闸回路中的常闭接点经延时后断开,保证开关可靠合闸。
若开关合闸于故障状态时,开关跳闸。由于开关合闸后3KT得电并自保持,合闸回路被切断。即使合闸命令一直存在,如按钮1SB粘连,开关也不会再次合闸,避免开关产生“跳跃”。
说明:在进线开关合闸回路中采用母线分段开关位置中间继电器5KA的常闭接点的作用,一方面实现进线开关和母线分段开关之间联锁,另一方面可满足母线分段开关抽出后,进线开关能够合闸的要求。
●开关分闸
转换开关1SH打在“就地”位
电压继电器1KV和2KV带电,其常开接点为闭合;“电源得电中间继电器”1KA也带电,其常开接点为闭合。
闭合按钮1SBS,双位置继电器1KSW释放线圈得电,继电器的常开接点断开,常闭接点闭合接点并保持。
在分励脱扣回路中,1KSW的常闭接点闭合;开关为合闸状态,开关辅助常开接点1QF 为闭合;分励脱扣回路接通,开关分闸。
开关跳闸后,其辅助常开接点1QF 为断开,切断分励脱扣回路。开关分闸操作完成。
在事故防跳闭锁回路中,由于1KSW的常开接点断开;切断3KT的自保回路,3KT继电器失电。
在合闸回路中,开关辅助常闭接点闭合,3KT继电器失电后,其常闭接点闭合,1KA常开接点闭合,5KA常闭接点闭合。具备手动合闸条件。
●远方控制合分闸:转换开关1SH打在“远方”位,控制命令来自控制中心。其余同“就地控制”。
进线开关失压跳闸和来电自复(就地和远方控制均有此功能,原理分析相同,仅转换开关1SH位置不同)
注:进线控制原理图中的双位置继电器1KSW,只有手动操作(包括远方控制)时,才能使继电器的接点状态发生转换。在下面的讨论中,由于进线开关为失压跳闸,因此1KSW继电器的接点状态不发生变化,处于合闸后的状态,即常开接点闭合,常闭接点打开。
●失压跳闸
当进线开关上口电压消失后,电压继电器1KV和2KV失电,时间继电器1KT失电,其常开接点断开;“电源得电中间继电器”1KA也失电。
在电源失压延时自动脱扣回路,时间继电器1KT的常闭接点延时闭合,接通分励脱扣回路,实现开关失压跳闸。
开关跳闸后,其辅助常开接点1QF 为断开,切断分励脱扣回路。
在事故防跳闭锁回路中,1KSW的常开接点仍为闭合状态,由于1KA 常开接点为断开,切断时间继电器3KT的自保回路,3KT失电。
在合闸回路中,1KSW的常开接点为闭合,3KT的常闭接点(延时动断)为闭合。开关已分闸,其辅助常闭接点1QF 为闭合。母线分段开关自投合闸后,开关位置中间继电器5KA的常闭接点为断开,1KA 常开接点为断开,合闸回路不会接通。此时手动操作合闸不能实现。
●来电自复
当进线开关上口电压恢复后,电压继电器1KV和2KV得电,其常开接点为闭合;时间继电器1KT重新得电,其常开接点闭合;“电源得电中间继电器”1KA也得电。
在事故防跳闭锁回路中, 1KSW的常开接点闭合,虽然1KA的 常开接点重新闭合;由于1QF常开接点为断开状态,事故防跳闭锁回路不通,3KT没有得电,其在合闸回路中的常闭接点(延时动断)仍为闭合。
在合闸回路中,1KSW的常开接点为闭合,3KT的常闭接点(延时动断)为闭合;开关为分闸,断路器辅助常闭接点1QF 为闭合;1KA 常开接点已闭合;当母线分段开关自复分闸后,开关位置中间继电器5KA的常闭接点为闭合,合闸回路被接通。进线开关自复合闸成功。
在事故防跳闭锁回路,1KSW的常开接点为闭合,1KA常开接点为闭合,进线开关“来电自复”后即启动3KT继电器带电并自保持。因此进线开关的“来电自复”具备“合闸防跳”功能。并在开关合闸后,“分励脱扣回路”的开关辅助常开接点闭合,具备手动分闸和失压跳闸条件。
母线分段开关操作控制分析:
根据控制要求,母线分段开关在手动控制情况下,包括就地和远方操作,都能实现自投自复功能。理论上母线分段开关的操作控制有以下几种方式:(1)手动合闸;手动分闸(2)手动合闸;自复分闸(3)自投合闸;手动分闸(4)自投合闸;自复分闸。在每个合、分闸过程完成后,均能恢复初始状态,以便进行下一轮操作。就地和远方控制原理分析相同,仅转换开关3SH位置不同和命令发出位置不同。下面以就地控制进行分析。母线分段开关的控制原理图见附图4。

3.1手动合闸;手动分闸
手动合闸
转换开关3SH在“就地”位。
闭合按钮3SB。
在手动合闸回路中,当1QF、2QF开关未同时合闸时,开关常闭辅助接点1QF或2QF为闭合,5KT继电器不带电,其常闭接点(延时动断)为闭合,3QF开关辅助常闭接点闭合。合闸回路接通。
母线分段开关合闸后,在合闸回路中,开关辅助常闭接点3QF 打开,切断合闸回路。开关合闸操作完成。
在手动分闸回路中的开关辅助常开接点闭合,具备手动分闸条件。
当两路进线电源均带电,母线分段开关与进线开关1QF同时为合闸状态,进线开关2QF处于分闸状态。在母线分段开关“进线电源恢复自动脱扣”回路中,开关1QF为手动合闸,1KSW常开接点闭合,1QF常开辅助接点闭合,1KA、2KA继电器常开接点闭合,但2KSW和2QF开关的常开接点断开。此回路不会接通。
●合闸防跳
在事故跳闸闭锁回路中, 母线分段开关合闸后,开关的常开接点3QF闭合,6KA继电器未得电,其常闭接点闭合,5KT得电并自保持。由于其在合闸回路中的常闭接点经延时后断开,保证开关可靠合闸。
若开关合闸于故障状态时,开关跳闸。由于开关合闸后5KT得电并自保持,合闸回路被切断。即使合闸命令一直存在,如按钮3SB粘连,开关也不会再次合闸,避免开关产生“跳跃”。
●手动分闸
转换开关3SH打在“就地”位。
闭合按钮3SBS。
在分励脱扣回路中,开关为合闸状态,断路器辅助常开接点3QF 为闭合;分励脱扣回路接通,开关分闸。并使“防跳自保持解除继电器”6KA带电。
断路器跳闸后,其辅助常开接点3QF 为断开,切断分励脱扣回路。开关分闸操作完成。
在事故防跳闭锁回路中, 由于6KA得电,其常闭接点断开,切断事故防跳闭锁回路。5KT失电,手动合闸回路恢复正常状态,即满足和进线开关的联锁关系时,开关具备手动合闸条件。
3.2手动合闸;自复分闸:有两种情况下母线分段开关实现此操作过程,其一:此操作过程不是正常操作。低压为单电源供电,一个进线开关和母线分段开关为手动闭合,另一个进线开关为断开状态。当误操作另一个开关合闸时,虽然进线开关由于联锁关系未合闸,但开关双位置继电器已经动作,常开接点闭合。母线分段开关在这种情况下会发生手动合闸、自复分闸的运行方式。其二:两路进线电源正常,运行方式由一个进线开关和母线分段开关手动合闸运行状态,向两个进线开关同时合闸的运行状态进行转换时发生此操作过程。
●手动合闸的分析同3.1。
●自复分闸(第一种情况)
转换开关3SH打在“就地”位。
当失电电源电压恢复后,电压继电器得电,其常开接点为闭合;时间继电器1KT或2KT重新得电,其常开接点闭合;“电源得电中间继电器”1KA或2KA也得电。
在“进线电源恢复自动脱扣”回路中,当1#进线有压且开关1QF 闭合,其辅助常开接点闭合,当2#进线开关上口电源恢复,2KA继电器得电时,2QF为分闸状态,但2KSW继电器由于误操作原因,常开接点一直为闭合状态,自动脱扣回路接通,母线分段开关自复分闸。或当2#进线有压且开关2QF闭合,其辅助常开接点闭合,当1#进线开关上口电源恢复,1KA继电器得电时,1QF为分闸状态,但1KSW继电器由于误操作原因,常开接点一直为闭合状态,接通自动脱扣回路,母线分段开关自复分闸。
在“进线电源恢复自动脱扣”回路接通时,使“防跳自保持解除继电器”6KA带电。
在事故跳闸闭锁回路中, 由于6KA得电,其常闭接点断开,切断事故防跳闭锁回路。5KT继电器失电。
在手动合闸回路中,5KT继电器常闭接点为闭合状态,母线分段开关自复分闸完成,当满足和进线开关的联锁关系时,开关具备手动合闸条件。
●自复分闸(第二种情况)
转换开关3SH打在“就地”位。
电压继电器1(3)KV和2(4)KV带电,其常开接点为闭合;“电源得电中间继电器”1(2)KA也带电,其常开接点为闭合。
在“进线电源恢复自动脱扣”回路中,当1#进线有压且开关1QF 闭合,其辅助常开接点闭合,2KA继电器常开接点闭合,当手动操作2#进线开关合闸时,2KSW继电器常开接点闭合,自动脱扣回路接通,母线分段开关自复分闸,母线分段开关分闸后,2#进线开关合闸。或当2#进线有压且开关2QF闭合,其辅助常开接点闭合,1KA继电器常开接点闭合,当手动操作1#进线开关合闸时,1KSW继电器常开接点闭合,自动脱扣回路接通,母线分段开关自复分闸,母线分段开关分闸后,2#进线开关合闸。
其他同第一种情况。
3.3自投合闸;手动分闸
●自投合闸
转换开关3SH打在“就地”位。
当1#或2#进线开关上口电压消失后,相应电压继电器失电,其常开接点为断开;“电源得电中间继电器”1KA或2KA也失电。
(3)当1#或2#进线开关失压延时跳闸后,在母线分段开关“电源失压自投合闸”回路,常闭接点1QF 和1KT或2QF 和2KT为闭合;“事故防跳闭锁”5KT继电器也没有得电,其常闭接点为闭合;自投合闸回路接通。(由于进线开关为失压跳闸,此回路中接入的进线开关双位置继电器常开接点仍为闭合状态,自投合闸回路接通;若进线开关为手动分闸,则此双位置继电器常开接点翻转,由闭合状态回到常开状态,不能接通自投合闸回路。)
(4)母线分段开关自投合闸后,其辅助常闭接点3QF 为断开,切断自投合闸回路。自投合闸过程完成。
●合闸防跳
在事故防跳闭锁回路中, 母线分段开关自投合闸后,开关的常开接点3QF闭合,6KA继电器未得电,其常闭接点闭合,5KT得电并自保持。由于其在合闸回路中的常闭接点经延时后断开,保证开关可靠合闸。
若开关合闸于故障状态时,开关跳闸。由于开关合闸后5KT得电并自保持,合闸回路被切断。即使合闸命令一直存在,开关也不会再次合闸,避免开关产生“跳跃”。
●手动分闸:
在自投合闸后,一般情况下,不会进行手动分闸操作。当特殊要求需要开关手动分闸,需首先解掉“电源失压自投合闸” 回路1XB连接片。然后才能进行手动分闸操作。因为母线分段开关的自投合闸是一个自动过程,当合闸条件和联锁条件具备时,此过程将自动进行。当手动分闸后,自投合闸条件仍具备,开关将再次自动合闸,因此手动分闸不能成功。需要首先解除自投合闸回路,城铁工程在此回路中增设了解除自投回闸回路的连接片1XB。手动分闸操作的分析同3.1。
3.4自投合闸;自复分闸:此运行方式是母线分段开关最常见的一种方式。
●自投合闸同3.3。
自复分闸
转换开关3SH打在“就地”位。
当失电电源电压恢复后,电压继电器得电,其常开接点为闭合;时间继电器1KT或2KT重新得电,其常开接点闭合;“电源得电中间继电器”1KA或2KA也得电。
在“进线电源恢复自动脱扣”回路中,当1#进线有压且开关1QF 闭合,其辅助常开接点闭合,当2#进线开关上口电源恢复,2KA继电器得电时,2QF为失压跳闸,2KSW继电器常开接点一直为闭合状态,自动脱扣回路接通,母线分段开关自复分闸。或当2#进线有压且开关2QF闭合,其辅助常开接点闭合,当1#进线开关上口电源恢复,1KA继电器得电时,1QF为失压跳闸,1KSW继电器常开接点一直为闭合状态,接通自动脱扣回路,母线分段开关自复分闸。
在“进线电源恢复自动脱扣”回路接通时,使“防跳自保持解除继电器”6KA带电。
在事故跳闸闭锁回路中, 由于6KA得电,其常闭接点断开,切断事故防跳闭锁回路。5KT继电器失电。
在电源失压自投合闸回路中,5KT继电器常闭接点为闭合状态,母线分段开关自复分闸完成,1KSW继电器和2KSW继电器接点均为闭合状态,当满足失压条件和且进线开关的失压跳闸时,开关具备自投合闸条件。
4.结束语:
本文附图重点在于对开关操作控制原理的理解,图中开关辅助接点和双位置继电器等的接点数量,应根据选用元件的情况,考虑是否加装中间继电器进行扩展。另外工程的要求和特点不同,也会对开关的控制原理产生影响。

