铺设无缝线路是轨道现代化的一项重要技术措施,具有行车平稳、减少养护维修工作量、延长设备使用寿命、提高旅客舒适度等优点。应用于城市轨道交通,可以大大降低轮轨撞击所产生的振动、噪声等环境污染。当在温度跨超过120m的连续梁上铺设无缝线路时,由于梁、轨的材质不同,在温度变化因素作用下的纵向变形也不同,纵向变形受到限制时就会转化为内应力。如果钢轨所承受的内应力与其他各种应力叠加后超过钢轨的容许应力,将会影响到轨道的安全性、稳定性,危及行车安全。解决这一问题的措施之一是铺设钢轨伸缩调节器。另外,在高架无缝线路中的道岔前后,一般也需要铺设钢轨伸缩调节器,以阻断无缝线路钢轨伸缩对道岔状态的影响,确保行车安全。
我国修建的高架城市快速轨道结构中,均设置了钢轨伸缩调节器。其结构基本按国铁的通用图,经过一段时间的运营实践,发现目前的钢轨伸缩调节器并不完全适应城市轨道交通的特点。有必要研究设计专门应用于城市轨道交通的钢轨伸缩调节器。
一. 目前钢轨伸缩调节器存在的问题
1. 伸缩量
目前钢轨伸缩调节器设计伸缩量名义上为1000mm,但按图纸结构检算发现,伸缩量无法实现。原因是钢轨伸缩调节器基本轨在伸缩时与相邻的扣件发生干涉,所允许的自由伸缩量不足600mm。
2. 平面线型
目前的钢轨伸缩调节器平面线型采用的是缓和曲线型。缓和曲线在用于高速铁路时是非常必要的,它可以降低车轮对纵坡的冲击,减小轨道的几何不平顺。对于城市轨道交通来讲,则没有意义。城市轨道交通列车一般行驶速度是80km/h,根据国际上的一般经验,在最高行驶速度小于或等于200km/h的地段,均可以铺设圆曲线型钢轨伸缩调节器。根据实测,钢轨伸缩调节器基本轨的伸缩阻力只有2~5t,没有采用缓和曲线的必要,圆曲线型完全满足其要求。其次,由于缓和曲线的设置使得尖轨轨头薄弱段较圆曲线型长许多,对尖轨延长使用寿命不利。同时,缓和曲线的设置,使得钢轨伸缩调节器的设计、生产、铺设均变得复杂化。
3. 基本轨预弯
基本轨的伸缩阻力与端部导曲线线型和曲线半径有关,也与是否按预顶弯设计有关。钢轨伸缩调节器基本轨可按两种状态设计:一. 基本轨不预顶弯,基本轨靠导向轨撑和尖轨的共同作用使基本轨在尖轨刨切范围内产生弹性变形,正因为基本轨的变形是弹性的,基本轨与尖轨在刨切范围的正压力也大,伸缩阻力也大;二. 基本轨预顶弯,顶弯的范围是取钢轨伸缩调节器发生最大伸长时尖轨实际尖端处为始点至轨端。目前的钢轨伸缩调节器采用的是第一种状态设计,较大的伸缩阻力会使钢轨应力得不到有效释放。根据实验数据表明:基本轨预顶弯后其伸缩阻力约下降40%左右。
4. 尖轨定位
尖轨一般与短轨相连,而列车一般也是单方向行驶,易造成尖轨的爬行,因此尖轨必须有定位的措施。目前的钢轨伸缩调节器尖轨仅依靠轨撑的扣压力难以确保尖轨与基本轨的相对位置。
5. 轨底坡
在GB50157《地下铁道设计规范》中规定,道岔不应设置轨底坡,没有对钢轨伸缩调节器提出要求。正常的轨道均设有1:40的轨底坡,因此钢轨伸缩调节器有必要也有条件设置轨底坡。目前的钢轨伸缩调节器没有设置。
6. 结构设计采用值
钢轨伸缩调节器的尖轨,使用条件与道岔中的直线尖轨基本相同,因此尖轨的降低值、水平刨切坡度等与道岔中的直线尖轨也应相同。但目前的钢轨伸缩调节器与现行的国铁采用值不同。
二. 新型钢轨伸缩调节器的设计
1. 平面线型及结构的确定
1). 平面线型
曲线型钢轨伸缩调节器六十年代首先在日本应用,由于其具有轨距线连续、轨距变化小、尖轨与基本轨始终保持密贴等优点,很快在世界上得以推广。像德国、美国等原采用短轨调节的国家,也已在无缝线路上采用了钢轨伸缩调节器。曲线型钢轨伸缩调节器又分为圆曲线、反向复曲线和缓和曲线。这三种线型的共同点是伸缩阻力随曲线半径的增大而减小。而在相同半径下,反向复曲线钢轨伸缩调节器的伸缩阻力远远大于圆曲线型钢轨伸缩调节器,而且在长度上也长于圆曲线型钢轨伸缩调节器约50%;采用缓和曲线无必要(理由前述),因此本设计采用曲率一致的单圆曲线型。虽然按理论计算圆曲线半径大于180m即可满足伸缩要求,但考虑在线型、平面布置等方面合理的前提下,伸缩阻力尽可能小些,最终决定圆曲线半径采用280m。
2). 伸缩量的确定
钢轨伸缩调节器的伸缩量是由无缝线路伸缩区自由伸缩量、线路的允许爬行量、桥梁因活载作用而产生的挠曲变形引起的钢轨伸缩量、各种误差积累构成的。通过计算:
钢轨伸缩调节器与无缝线路长钢轨连接的伸缩区伸缩量一般小于±50mm;
线路的允许爬行量按《铁路工务规则》规定不大于±20mm;
总伸缩量不大,最终按结构设计能够达到的最大值±210mm作为伸缩量。
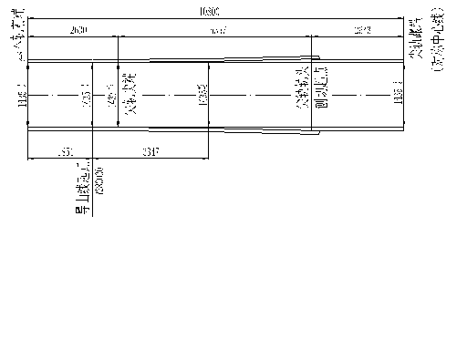
3). 平面尺寸
尖轨实际尖端位置轨头宽取1mm,减短尖轨前部轨头薄弱断面长度。短轨枕间距按600mm布置,钢轨伸缩调节器全长为10800mm(见图1)。全长较目前

图1:钢轨伸缩调节器平面
的钢轨伸缩调节器缩短了1700mm,既可降低造价,在较小跨度的高架桥上又可灵活布置。尖轨尖端前尺寸2600mm,是工厂组装控制尺寸,也是钢轨伸缩调节器设计伸缩量为零的位置,铺设时应根据实际轨温进行调整。
2. 结构设计
1). 尖轨采用60AT钢轨制造,用于单向钢轨伸缩调节器时,跟端热加工过渡到相应的普通钢轨断面;用于双向钢轨伸缩调节器时,可用一根60AT钢轨按对称中心线加工,刨切段分别与两侧基本轨贴合;为防止尖轨爬行,尖轨设置轨撑、水平螺栓定位;尖轨降低值按国铁现行标准设置,轨头水平刨切按更符合轮轨关系的1:4坡度加工。
2). 基本轨一侧靠导向轨撑导向,另一侧靠尖轨的轨头、轨底导向(见图2)。基本轨在有最大伸长时尖轨轨头宽50mm对应位置向外作1:3的轨顶刨切,延续至基本轨端部,端部轨头顶面降低10mm,避免磨耗轮对假轮缘对基本轮的冲击。为降低伸缩阻力,基本轨由制造工厂做预顶弯。
3). 垫板采用560x170x18mm的扁钢制造,加工、运输、铺设、养护维修均较方便。垫板长度尺寸统一,可以简化短轨枕的类型。垫板按轨道中心线分上、下股钢轨用,对称制造。

图2:钢轨伸缩调节器结构
4).扣件采用分开式弹性可调扣件,扣压件为桥上无碴轨道用小扣压力弹条。用扭力矩调整基本轨、尖轨对扣压力的不同需要。铁垫板与短轨枕的联结采用T30的螺旋道钉,施以150~200N·m的扭力矩。轨距的调整采用轨距块,由不同号数轨距块的组合,可实现+8、-16mm的轨距调整量。轨道高度的调整采用调高垫板,轨下最大垫10mm,铁垫板下最大垫30mm,基本轨与尖轨贴合段只在铁垫板下调高。
5) 设计上在钢轨轨下、铁垫板下均设有弹性垫层,钢轨轨下设置沟槽形式橡胶垫板,理论静刚度约为40kN/mm,铁垫板下设置圆柱粒子形式橡胶垫板,理论静刚度约为60~70kN/mm。这种双层弹性垫层的设置,可以满足城市轨道交通旅客舒适度和一般地段减振降噪的要求。基本轨在与尖轨贴合范围内的轨下不设橡胶垫板,以利于伸缩。
6) 轨下基础采用无挡肩短轨枕、整体道床,短轨枕设计为同一尺寸。
7) 钢轨伸缩调节器按有轨底坡设计,轨底坡由施工时实现。施工时钢轨、扣件、短轨枕吊装在支架上,按1:40坡度内倾,轨道几何状态检查无误后浇注道床砼固化。
三.结语
结合城市轨道交通特点设计的《60kg/m钢轨伸缩量420mm单(双)向钢轨伸缩调节器》充分吸收了国内、外钢轨伸缩调节器的优点,技术上更加先进、可靠,是我院开发的新一代轨道设备,可满足城市高架无缝线路铺设的要求。

