区间信号仿真系统中干扰仿真的建模研究
摘 要 在讨论铁路和城市轨道交通中的行车区间内信息传输过程中可能存在的干扰的基础上,给出并分析了区间轨道传输信道干扰的仿真建模策略。在简单介绍了系统仿真相关技术之后,着重阐述了电气化区段轨道电路的传导性加性干扰以及轨道电路同线干扰的数学模型。最终实现区间信号仿真系统中干扰的仿真,从而为铁路区间以及轨道交通信号系统安全控制和防护设备的安全性测试评估平台的研究开发创造了一定的条件。
关键词 城市轨道交通,区间信号,系统仿真,面向对象,干扰仿真,建模
1 问题的提出
列车在铁路以及城市轨道交通线的区间(以下简称区间,即轨道线路上车站间的钢轨线路) 的通过能力和安全运行,对提高列车的通过能力与正常运营起着至关重要的作用。指挥行车的信号设备, 与线路设备、机车车辆并列为轨道交通运输的三大基础设备。信号设备的功能和可靠性对提高运输效率、保证列车的安全运行等起着十分重要的作用。区间信号设备能确保列车在区间安全运行的前提下,尽可能地提高列车在区间的通过能力。在我国,随着提速、重载战略的实施和轨道交通科技的进步,已有众多的新型区间信号设备投入使用。在区间安全性控制和防护设备的研制、生产、运营过程中,如何运用现代技术手段,对其功能可靠性和安全性进行科学、高效、全面、按标准的检测和评估是十分迫切的。
随着我国城市轨道交通运输设施和管理的日益现代化,目前在区间通过轨道传输的信息越来越多,也越来越复杂,这样,信息传送的可靠性和安全性问题便显得日益突出。在区间,自动闭塞的行车信息以钢轨作为信道进行传输时,不可避免地叠加有各种外界干扰。这些干扰将会对信号设备产生影响,甚至危及行车安全。因此,在研究干扰源及其干扰规律的基础上,仿真轨道电路传输过程中所出现的干扰,在检测系统中对受检区间信号设备进行抗干扰能力的检测,有着重要的现实意义。基于以上目的,本文将对用于区间测试评估平台的信号系统的信息传输仿真,重点是干扰仿真的建模方法展开讨论。
2 系统仿真
系统仿真是以系统理论、形式化理论、随机过程与统计学理论以及优化理论为基础,以计算机和仿真系统软件为工具,对现实系统或未来系统进行动态实验研究的理论和方法[ 1 ] 。
作为一种行之有效的认知方法,系统仿真已在航空航天、经济管理、决策优化、军事演习、安全软件测试评估等众多领域得到了广泛的应用。在过去的20 年中,系统仿真技术取得了令人瞩目的进展。概括来看,仿真领域的主要研究内容包括:仿真建模、形式化描述方法、仿真实现及仿真验证和确认(V &V) 。
虽然系统仿真研究取得了巨大的进展,但相对而言,仿真在铁路信号领域的应用还不是很充分。尤其在国内,它还是一个有待于近一步开拓的领域。
面向对象(O -O) 的思想最早起源于仿真领域[ 2 ] 。在(O -O) 设计方法中,对象(object) 和消息传递(message passing) 分别表示事物、事物间的相互联系;类(class) 和继承(inheritance) 是适应人们一般思维方式的描述范式;方法(method) 是允许作用于该类的各种操作。在计算机科学中,“对象”是包含现实世界物体特性的抽象实体,而“类”是对一个或几个相似对象的描述[ 3 ] 。对象、类、消息和方法的基本点,在于对象的封装性(encapsulation) 和继承性。通过封装,能将对象的定义和对象的实现分开;通过继承能体现类与类之间的关系,以及由此带来的动态聚束(dynamic binding) 和实体的多态性(polymorphism) ,从而构成了O -O 的基本特征。
对象建模技术(OM T) 是当今较为实用的面向对象建模的方法之一。其方法论的基本思想是[4 ] :从空间、时间及功能这三个既独立又相互联系的角度去分析和设计一个系统。OM T 的基本方法和过程是:首先从空间角度,直接面向应用(即所要求解决的问题) 的自然存在,并依据应用的目的把它划分成若干个离散的有用对象(或抽象成类),并确定这些对象的属性、操作(主动的和被动的) 以及这些对象间的关系或联系,来构成问题空间的静态结构 对象图(或称为待分析系统的对象模型);接下来,从时间角度,考察系统中对象(特别是那些有交互活动或并发操作的对象) 在不同时刻的状态变化及对象之间相互关系的变迁,从而构成对象的控制结构(或称为系统的动态模型);最后,从功能的角度来描述系统中对象属性值从输入到输出的变化过程及相关的操作,从而构成数据计算或处理的逻辑结构— 数据流程图(DFD) 或称为系统的功能模型[5 ] 。鉴于此,在区间轨道电路干扰仿真模型中笔者采用面向对象的建模技术。
3 轨道信息传输干扰仿真模型
3. 1 轨道电路中的传输干扰
按照数据传输理论,一般的传输模型如图1 所示。
图1 一般的数据传输模型
对于有线信道可以有两种理解:一种是指信号的传输媒介,如架空明线、钢轨、同轴电缆、光纤等, 称此种类型的信道为狭义信道;另一种是将传输媒介和各种信号形式的转换、耦合等设备都归纳在一起,称之为广义信道。
本文以钢轨作为传输信道,即通过轨道电路传输信息。轨道电路的基本结构如图2 所示:在钢轨线路的始端,通过匹配设备PP1 连接着发送器;在钢轨线路的终端,通过匹配设备PP2 连接着接收器。
图2 轨道电路基本结构
轨道电路是钢轨线路和连接于其始端及终端的器械的总称。它是将某一区段的钢轨用作电路的一部分,由区段内的列车车轴将轨间分路,以检查有无列车的电路,以及为向该区段内的列车用钢轨作导体传送信息的电路[6 ] 。
轨道线作为传输媒介,具有分布参数特征。对应于图1 中的狭义信道,在研究传输干扰时,还需考虑广义信道,包括扼流变压器、轨道变压器等设备。
考虑信道中的干扰后,轨道电路的输入和输出可表示为:
E(t) = k(t)e(t) + n(t) (1) 式中: E( t) 为信道的输出;e( t) 为信道的输入; k( t) 为信道的传输乘性干扰; n(t) 为加性干扰。
k( t) 是一个复杂的函数, 表示轨道电路传输特性因加性和乘性干扰而成的变化特性, 主要体现在温度、湿度等外界条件变化引起轨道电路的一次参数变化和轨道电路状态( 如分路、断轨等) 的变化。k( t) 对输入信号的影响可能造成线性和非线性畸变, 引起传输过程中的信号衰耗和延迟。n( t) 独立于传输信号。在轨道电路的噪声加性干扰模式中,产生轨道电路的噪声干扰的干扰源很多, 又很分散。例如, 各种电子器件的固有噪声、电磁感应干扰和辐射干扰。从统计的角度看, 它们类似于高斯白噪声, 因此可以用高斯白噪声进行模拟。考虑到在区间信号仿真系统中电气化轨道电路传导加性干扰的重要性和突出性, 下面将主要讨论电气化区段轨道电路的传导性加性干扰的建模问题。
3. 2 电化区段轨道电路的传导性加性干扰模型
在电气化区段,钢轨中所流经的不仅有信号电流,还有牵引电流。电气化区段轨道电路所传输的信号主要受牵引电流的干扰。国内外有关部门对此进行了广泛的研究。前苏联、日本、美国在六、七十年代对直流牵引和交流牵引区段的轨道电路传输干扰进行了研究,其它一些发达国家也对电气化铁路信号抗干扰的测试和分析系统进行了研制。例如,德国慕尼黑实验所研制的高速列车干扰源测试车系统,美国电磁兼容分析中心(ECAC) 为美国联邦铁路总署所作的电力机车干扰源的综合分析系统等。在我国,由北方交通大学主持,在一些电气化线路上,对“电力牵引电流对信号系统轨道电路的传导性干扰”进行了研究,并提出了一些防干扰措施。以往的文献多涉及抗干扰内容。本文则以建立干扰仿真的数学模型为研究重点。
3. 2. 1 稳态传导性加性干扰模型
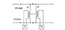
如图3 所示,在电气化区段,牵引电流经钢轨回到牵引变电所,当流经两根钢轨中的牵引电流大小相等时,在扼流变压器初级线圈上形成的磁场大小相等、方向相反,因而相互抵消不会影响接收端。但在实际条件下,两根钢轨对地漏泄电导不完全相其中: IS1 为第一根钢轨中的牵引电流; IS2 为第二根钢轨中的牵引电流。
牵引电流产生的干扰电压, 与牵引电流的大小、不平衡系数以及轨道电路接收端对牵引电流的输入阻抗成正比。不平衡系数较大时,列车牵引吨数越大,牵引电流也越大,对信号设备的干扰也越大。在自动闭塞各闭塞分区中,同时运行的列车数越多,牵引电流也越大。为了仿真牵引电流对轨道电路的影响,首先应该掌握和分析牵引电流所包含的频率成分,然后建立该类干扰的仿真模型。以铁路区间为例, 牵引电流基波的频率为50 Hz , 但由于牵引电流是通过机车主变压器,经整流器整流后供给直流牵引电机的,因此,牵引电流的波形并不是正弦波,而是包含丰富谐波的非正弦周期函数。牵引机车类型和牵引级数不同,牵引电流的谐波成分也不同。实用中,一般在各种机车多种牵引级数下,对供电臂送端总电流的谐波含有率进行实测统计,得到具有代表性的统计值作为谐波计算的依据。我国区间自动闭塞所用信号频带为25 ~ 2 611 Hz ,因此应重点考察牵引电流在这个频带的分布。
基于以上讨论,当将不平衡牵引电流视为干扰源时,其干扰模型为:
N
q( t) =m
0. 5 nIS KIZS
∑
sin (2πmf 0 t) (4)
同,因此在两根钢轨中的牵引电流值也不相等,从
m = S
而在接收端产生干扰电压。这种干扰的幅度和相位
相对于时间变化缓慢,可视为稳态干扰。
图3 牵引电流流通示意图
两根钢轨中的牵引电流值不相等时,其差值为不平衡牵引电流。对不平衡牵引电流进行分析时, 可将其视为等效流过接收端扼流变压器初级线圈的半边线圈。其干扰电压为:
U= 0. 5 n KIISZS (2) 式中: IS 为牵引电流; ZS 为接收设备输入阻抗; n 为接收端扼流变压器初、次级线圈变压之比; KI 为牵引电流不平衡系数,其值为KI=| IS1 -IS2 |/IS (3)
αm式中:为基波频率(50 Hz); S 为干扰源所包含谐波次数的下限且为正整数; N 为干扰源所包含谐波次数的上限且为正整数;其余同前。
对于不同的接收设备,其所能接收的信号频带范围各不相同。为了更好地仿真在信号频带内的干扰, S 和N 的取值要保证干扰源所包含的信号频率在接收设备的信号频带范围内。
3. 2. 2 瞬态传导性干扰模型
在电气化区段,信号设备除了受稳态干扰外, 还经常受到瞬态干扰的影响。瞬态干扰的起因很多,如:列车在钢轨上运行时,车轮和钢轨间的接触电阻变化引起牵引电流的瞬态变化;由电力机车受电弓和接触网之间接触位置的变化而引起的脉冲干扰;电力机车启动和加速造成的牵引电流突发性脉冲干扰等。这类瞬态干扰的特点是干扰电流的峰值大、时间短且幅值和相位变化快,从而可以用随机性的尖脉冲加以模拟。由于这部分内容涉及的范围较广,作者在继续深入研究的同时将另辟专文阐为述。
3.3 轨道电路的同线干扰模型
由于钢轨中传输的是交流信号,因此相邻轨道电路间存在着感应干扰。但这种干扰对有绝缘轨道电路接收设备的影响比较小,可以忽略不计。但对于无绝缘轨道来说,由于不设置机械绝缘,无绝缘轨道电路接收设备受同线干扰的影响要大一些。下面重点讨论无绝缘轨道电路的同线干扰问题。
图4 为区间无绝缘轨道电路的示意图。可见, 对应n个闭塞分区有n段轨道电路,接收设备JS1 能接受到FS2 ~ FSn 的信息,J S2 能接受到FS1 、FS3 、?FSn 的信息,即各区段间相互干扰。此干扰同样为加性干扰,若干扰强度足够大,则容易引起被干扰区段接收设备的误动。
图4 无绝缘轨道电路同线干扰示意图
对无绝缘轨道电路同线干扰进行分析时,根据加性干扰的独立性,可以首先假定区间某一区段轨道电路的发送端(如FS1) 为干扰源, 发送设备工作,而其它各被干扰区段的发送端电压为零,各被干扰区段接收和发送端均可视为此轨道电路中的中间分界点。采用与传输特性分析相同的方法,在各分界点建立边界条件,求解出积分常数,即可得出各被干扰区段各点处干扰量的大小。接着,分别将FS2 ~ FSn 视为干扰源,重复此过程,求出干扰量。再将接收设备上受到的各干扰量叠加,得到总的干扰量。对于有绝缘轨道电路,若绝缘节破损,可按照相同的方法进行分析。具体模型如下:
设FS1 为干扰源,其它各被干扰区段的发送端电压为零, 中间分界点为χ;U1 L(χ),U2 L(χ), I1 L(χ),I2 L(χ) 分别表示分界点χ 左侧第一轨对地电压、第二轨对地电压、第一轨中的电流和第二轨中的电流,U1 R(χ),U2 R(χ),I1 R(χ),I2 R(χ) 分别表示分界点χ右侧第一轨对地电压、第二轨对地电压、第一轨中的电流和第二轨中的电流。规定电压方向为由钢轨到地,电流方向为从左到右,则可得到分界点χ处的边界条件:
U1 L(χ) = U1 R(χ)
U2 L(χ) = U2 R(χ)
I2 L(χ) + I1 L(χ) = I2 R(χ) + I1 R(χ)
2 (U1 L(χ) U2 R(χ)) = (I1 L(χ) I2 L(χ) I1 R(χ) + I2 R(χ)) Zχ(5)
式中,Zχ 表示分界点χ处钢轨线路间的阻抗。
假设钢轨线路的一次参数呈对称分布,即两根钢轨的单位阻抗和对地漏导完全相同。满足此条件的钢轨线路称为对称钢轨线路。由于钢轨线路对称,因此可得出对称钢轨线路各点的电压与电流:
U1χ = A1chγ1χ +A2shγ1χ + A3chγχ + A4shγχ
U2χ = (A1chγ1χ + A2shγ1χ)-(A3chγχ + A4shγχ)
I1χ = y11 (A1shγ1χ + A2chγ1χ)+2 (A3shγχ + A4chγχ)/ ZC
I2χ = y11 (A1shγ1χ + A2chγ1χ)-2 (A3shγχ + A4chγχ)/ ZC (6)
由式(5) 的边界条件方程组即可求出积分常数A1 、A2 、A3 、A4 ,代入式(6),从而可得出各被干扰区段FS2 ~ FSn 各点处干扰量大小。同理, 将FS2 ~ FSn 视为干扰源,重复此过程,求出干扰量大小,再将接收设备上受到的各干扰量叠加,便可得到总的干扰量。
4 结语
区间信号仿真系统干扰仿真的建模研究,对于建立基于测试评估的城市轨道交通区间信号仿真系统极为重要,是仿真理论的重要应用领域。本文讨论了区间轨道信息传输干扰仿真模型,并着重阐述了传输干扰的仿真建模理论,这将有助于正在开发的区间计算机控制信号系统测试评估平台的生成。当然,仿真理论是一种不断发展和创新的理论,干扰更有其复杂性和多样性,区间信号仿真系统干扰仿真的建模研究仍是一个需要不断深入研究的课题。
参 考 文 献
1 冯允成,邹志红,周泓. 离散系统仿真. 北京:机械工业出版社,1998
2 熊光楞,彭毅. 先进仿真技术与仿真环境. 北京:国防工业出版社,1997
3 吴芳美. 铁路安全软件测试评估. 北京:中国铁道出版社,2001
4 崔智社. 对象建模技术在分布交互仿真系统中的应用研究. 系统仿真学报,2000 ,12 (1)
5 张小林. 面向对象的铁路区间信号仿真系统研究和实现[学位论文]. 上海:同济大学信息与控制工程系,2002
6 肖雅君,吴汶麒. 用于轨道交通列车自动控制系统的通信技术. 城市轨道交通研究,2002 , (2) :59
7 板仓荣治. 信号轨道电路. 北京:人民交通出版社,1974

