南京地铁联络通道冻结法施工措施分析
摘要: 对南京地铁一期工程TA4 标联络通道冻结法施工的成功经验进行了总结。指出地铁联络通道冻结法施工中,必须采取必要的施工技术措施,才能保证施工安全、顺利的进行。本工程的成功经验可供其他工程参考。关键词:地铁;联络通道;冻结法
1 前言
南京地铁一期工程(南北线)南起小行北至迈皋桥,全长21.7 km ,其中地下部分长14.5 km 。工程于2000 年底开工,计划2003 年底完成车站、区间隧道的土建工程部分。
南京地铁TA4 标盾构法区间隧道,北起钓鱼台工作井北侧,南至三山街车站南端头井,由左线(下行线)和右线(上行线)隧道组成。隧道外径6.2 m, 内径5.5 m,每块管片宽为1.2 m, 厚为350 mm。联络通道位于两站区间隧道中间,隧道中心埋深13.13 m, 联络通道及泵站采取合并建造模式, 它既保证上、下行隧道间的联络作用和必要时乘客安全疏散的功能,又起到地铁运营中两车站之间的集、排水作用。工程结构由两个与隧道相交的喇叭口、通道以及集水井等组成。地铁联络通道一般位于区间隧道的中间,通常与集、排水泵站连在一起,共同起着两隧道连结、集排水和防火等作用。联络通道土体开挖前,必须对其周围土体进行加固,土体加固的方法常用的有深层搅拌法和冻结法。目前冻结法在国内地铁建设中得到了广泛应用[1-3] ,积累了一定的成功经验。南京地铁一期工程TA4 标中,联络通道施工成功引用了冻结施工,并取得了圆满成功。本文对施工中的技术措施进行了总结、分析研究,希望能对以后的联络通道土体冻结法施工提供借鉴和指导。
2 工程地质状况
工程地质资料如表1 所示,另外地下水标高为地下1~2 m ,水位较高。
表1 土层物理参数

3 冻结设计
从表1 看出,土层平均渗透系数小,透水性差,是冻结施工较为有利的土层。经研究采用隧道内钻孔冻结加固,矿山法暗挖构筑”的施工方案,即:在隧道内利用水平孔和部分倾斜孔冻结加固地层,使联络通道以及集水井外围土体冻结,形成强度高,封闭性好的冻土帷幕。采用矿山法, 进行联络通道及泵站的开挖构筑施工。地层冻结和开挖构筑施工均在区间隧道内进行,其主要施工顺序为:施工准备? 联络通道连通地面的垂直水管施工? 冻结孔钻孔施工(同时安装冻结制冷系统) ? 安装冻结盐水系统和检测系统? 积极冻结? 探孔试挖? 拆钢管片? 联络通道掘进与临时支护? 联络通道永久支护? 泵站开挖与临时支护? 泵站永久支护? 必要时进行土层注浆充填。根据冻结帷幕设计及联络通道的结构,冻结孔的倾角采用上仰、近水平、下俯三种角度布置,开孔间距为0.7 m,冻结孔数58 个。冻结孔的布置见图1 所示。
图1 冻结孔布置(括号内数字为孔深,单位mm 及倾角(o)
4 冻结参数的选择
选用YSLGF300? 型螺杆压缩机组一台套,设计工况制冷量为87 500 kcal/h ,电机功率110 kW 。地层冻结供冷工艺参数和指标为:积极冻结盐水温度为-28 ℃~-30 ℃;冻结孔单孔流量不小于4 m3/h; 冻结系统辅助设备:(1) 盐水循环泵选用IS125-100~200 型2 台,流量200 m3/h,电机功率45 kW ,其中一台备用。(2) 冷却水循环选用IS125-100~200 C 型2 台,流量120 m3/h,电机功率30 kW ,其中一台备用。冷却塔选用NBL-100 型一台,补充新鲜水15 m3/h。
5 施工技术措施
5.1 冻结前的施工措施
冻结孔钻进工程中会引起周围地表的沉降,为了控制沉降对周围环境的影响,在联络通道地表进行了布点监测,监测结果如图2 所示(选取最大变形点)。2002 年11 月10 日开钻,21 日结束。从图2 中看出,开钻过程中由于土体的开挖以及钻孔数量的增多,地表的沉降逐渐增大,到11 月21 日即钻孔结束时最大沉降为4 mm,24 日最大沉降达5 mm, 并且一直保持到开始冻结前,11 月29 日开始冻结,地表点开始表现为隆起,并随着冻土效果逐渐增大,从12 月30 日到2003 年1 月20 日隆起量在15 mm 处达到平稳,说明冻土发展良好,并且在这一段时间内冻土柱已经交圈,因此,实际土体开挖时间定在了2003 年1 月8 日。由于其它原因,冻土温度进一步降低,冻土圈有所扩大,地表从1 月21 日开始隆起增加到2 月1 日达到19 mm ,一直保持到主体结构完工。
图2 1#测点地表变形与时间的变化关系
5.2 冻结过程中的施工措施
5.2.1 隧道内支撑
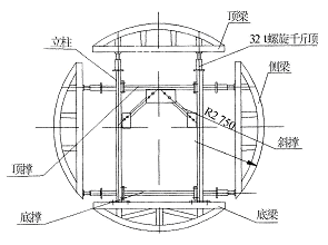
冻结过程中隧道受冻土力的作用,会发生隧道横向断面变形,从而影响隧道的椭圆度。为了减少这一变形,因此在冻结前,隧道内安装预应力隧道支架,即在上下行线隧道的联络通道洞口两侧安装两榀预应力钢支架(如图3 所示),每榀支有8 个支点,均匀地支撑在隧道管片上,施工中可根据观测到的隧道变形情况,调整各个支点的预应力大小,控制隧道变形。
图3 预应力钢支架
5.2.2 布置测温孔
为了掌握冻土帷幕的形成过程、形成状况,以及判断冻土柱是否交圈、冻土墙厚度及其温度是否达到设计要求等等,在上、下行线隧道联络通道洞口两侧共布置10 个测温孔,其中在下行隧道中布置了4 个,上行隧道中布置了6 个(开挖是从下行隧道开始的)。每个测温孔内设3 个测点,每个测点间距600 mm,测温孔深为2 m 。测量频度为每天1 次。
5.2.3 布置卸压孔
为了减少冻结过程中,土体冻涨对地表以及隧道的影响,隧道下行线联络通道开挖断面内布置一个卸压孔。另外,通过卸压孔压力的测试,以及对卸压孔内水流观察,可以判断冻土的冻结情况。如本工程卸压孔,在12 月24 日,压力不再升高,说明冻结帷幕内的自由水由于水分迁移的作用, 已经基本补给到冻土中,2003 年1 月3 日打开该泄压孔,有少量水和泥浆流出,几分钟后停止。1 月8 日土体开挖时,该孔内没有水流出现象。
5.2.4 钢管片的拆卸
为了判断钢管片拆除前,联络通道土体冻结的帷幕墙厚度是否达到设计要求,是否交圈,土体强度是否达到要求以及保证土体开挖的安全进行,采用了以下施工措施。
(1) 对去路、回路盐水进行温度检测,2003 年1 月7 日盐水的去、回路温度差已从2002 年12 月24 日的平均2 ℃ 降到0.5 ℃ ,说明地层的热负荷减少,冻土帷幕形成良好。
(2) 根据第3#测孔的实测资料,其距冻结主面400 mm, 降温幅度最大,到2002 年12 月14 日其温度降到-0.5 ℃ ,此时冻结15 d ,冻土平均发展速度26.7 mm/d; 第2#测孔距冻结主面450 mm,12 月19 日其温度降到-0.2 ℃ ,此时冻结20 d ,冻土平均发展速度25.0 mm/d;第5#测孔距冻结主面700 mm, 12 月27 日其温度降到-0.2 ℃ ,此时冻结27 d ,冻土平均发展速度27.8 mm/d。以上3 个孔的冻土平均发展速度为26.5 mm/d,按此推算,到实际开挖时间2003 年1 月8 日,冻结时间39 d ,冻土发展厚度2.06 m,超过设计厚度0.46 m。
(3) 在隧道下行线布置了4 个冻胀压力测孔,根据冻胀压力测孔1 的实测数据,2002 年12 月18 日冻胀压力达到最大值0.73 MPa ,此时冻结时间19 d; 测孔4 的实测数据,12 月19 日冻胀压力达到最大值1.81 MPa ,此时冻结时间20 d 。说明冻结20 d 左右时冻土柱已经交圈,冻结帷幕已基本形成。此后冻胀压力趋于稳定并逐步减少,冻土帷幕厚度增加,符合冻土冻结规律。另外,隧道下行线联络通道开挖断面内布置一个泄压孔,其压力变化,到12 月24 日,压力不再升高,说明冻结帷幕内的自由水由于水分迁移的作用,已经基本补给到冻土中,2003 年1 月3 日打开该泄压孔,有少量水和泥浆流出,几分钟后停止。1 月8 日土体开挖时,该孔内没有水流出现象。
5.2.5 土体支护
采用两次支护方式。第一次支护(临时支护)采用预应力钢支架加背板。第二次支护(永久支护)采用现浇钢筋混凝土。
联络通道土体开挖导致地层中原有的应力平衡受到破坏,引起通道周围地层中的应力重新分布,这种重新分布的应力不仅使上部地层产生位移,而且会形成新的附加荷载作用在已加固好的冻土帷幕上,会引起冻土帷幕及冻结管会产生变形或破坏,为控制这种变形的发展,冻土开挖后就要及时对冻结壁进行及时的支护,所以联络通道的临时支护即做为维护地层稳定,确保施工安全的一项重要技术措施,又作为永久支护的一部分,是支护工艺最为关键的一步。
经过力学计算分析,确定联络通道临时支护的结构形式,如图4 所示。临时支护采用18#工字钢加工成的直腿拱形支架和矩形支架。钢拱架为封闭形式用于喇叭口及通道内的临时支护,为增加支架的稳定性,每道支架中部加有一根横撑,拱形支架的间排距与通道的开挖步距相对应为0.3~0.5 m, 相邻支架间加有纵向拉杆,以增加整个支护体系的整体性和稳定性。矩形钢支架用于集水井,支护间距为0.5 m,上下两排支架间由8 根拉杆相互连接,必要时增加纵横向支撑,以增加支架整体的稳定性及抗变形的能力。为了控制支架间冻结壁的变形,减少冻结壁冷量损失,所有钢支撑架后用木背板密背,背板必须同冻结壁紧贴,尽量减少支护间隙,木背板不能松动,当支护间隙较大时,可增加背板厚度和木楔子,以提高支护效果。
图4 联络通道的临时支护
永久支护为结构设计中的钢筋砼结构,为减少砼施工接缝,联络通道开挖及临时支护完成后,一次连续进行浇筑。由于这种结构的特殊性,通道顶板内的砼浇筑较为困难,为提高砼施工质量,可采取分段浇筑的施工方式,必要时可采用喷浆机对浇筑空隙进行充填。上部结构施工完成以后,开挖集水井,集水井开挖到设计深度,首先对集水井底板进行封底浇筑,然后一次完成集水井的钢筋砼浇筑施工。
5.3 解冻过程中的施工措施
联络通道主体结构施工完毕后,停止供冷,土体自然解冻,解冻过程中会引起地面的沉陷,如果沉陷过大,不但对隧道而且对地面建筑、地下管线将产生不利影响。为减少土体解冻产生的沉降量, 可通过隧道及联络通道预留的注浆孔,采取跟踪注浆的形式,根据观测到的隧道及地层沉降情况,及时地对地层进行补偿注浆。
6 结论
冻结法在南京地铁一号线TA4 标的成功经验说明南京地质条件下――在地下水位较高的软土且含砂层的土质采用冻结施工是可行的,随着工程的开展,冻结法会地铁建设中得到更广泛的应用。但在冻结施工中必须采用必要的施工技术措施相补充,必须重视施工中的跟踪检测措施,及时反馈信息,对施工的方案及时补充修正,确保万无一失,工程顺利进行。
参考文献
[1] 周晓敏, 苏立凡, 贺长俊等. 北京地铁隧道冻结法施工[J]. 岩土工程学报, 1999, 21(3): 319-322.
[2] 马玉峰, 苏立凡, 徐兵壮等. 地铁隧道联络通道和泵站的水平冻结施工[J]. 建井技术. 2000, 21(3): 39-41.
[3] 郭晓江. 冻结法在广州地铁二号线暗挖隧道中的应用[J]. 煤炭工程. 2001(12): 27-29.

