香港将军澳地铁支线的牵引供电系统
摘 要 介绍了香港将军澳地铁支线牵引供电系统中交流供电系统、直流供电系统、屏蔽门和过电压保护装置等的设计思路及其保护装置,可供轨道交通的有关工程设计人员借鉴。
关键词 香港,地铁,将军澳支线,供电系统
牵引供电系统为整个地铁系统(包括车辆、动力、照明、通风/ 环控、通信、信号、物业开发等) 的所有用电设备提供电源,因此牵引供电系统方案设计的优劣直接关系着整个地铁系统运行的安全性、可靠性和灵活性。本文介绍了香港将军澳地铁工程牵引供电系统的一些设计思路和做法,以便各城市借鉴其经验,进而提高地铁工程牵引供电系统的设计水平。
1 工程简介
香港地铁将军澳延伸线工程( Tsueng Kwan O Extension) 位于九龙地区东部,全长11. 8 km , 其中正线9 km , 西起与既有的观塘线( KTL Line) 接轨的蓝田站(Lam Tin Station) ,东至新建的宝琳站(Po Lam Station) , 途经油塘站( Yau Tong Sta2 tion) 、调景岭站(Tiu Keng Leng Station) 、将军澳站(Tseung Kwan O Station) 、坑口站(Hang Han Sta2 tion) ;另外还有从将军澳站向南延伸到车辆段的2. 8 km 线路。全线建成时将有5 个车站和1 个车辆段,还准备在远期再建两个车站。在油塘车站和调景岭车站均建有双层站台,以方便乘客在观塘线和将军澳线之间换乘。
2 交流供电系统
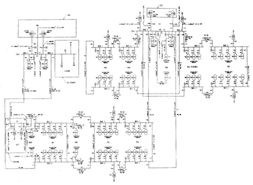
由于牵引、动力、照明和物业开发用电需求量极大,考虑到供电系统的安全性、可靠性、灵活性, 并考虑备用,采用了33 kV 交流供电系统方案(如图1 所示) 。
从图1 可以看出,整个33 kV 交流供电系统分别从两家电力公司(HEC -香港电力公司和CL P -中华电力公司) 的电网通过两个主变电所(Q IS 和TIS) 获得电源。在每个主变电所设有两台132/ 33 kV 主变压器。在正常情况下,这两台主变压器并联运行,当有一台主变压器出现故障而退出运行时,另外一台主变压器能够承担向所有的用电设备供电而不超载。而且每台主变压器都配备有一组有载自动调压装置,以维持主变压器低压侧供电电压保持恒定。
整个地铁交流供电系统由两级电压组成,即33 kV 和0. 415 kV 两组电压等级。由两个132/ 33 kV 主变电所经33 kV 输电网络(电缆构成) 把电力输送到地铁沿线所有的变电所(牵引降压混合变电所和降压变电所) 。33 kV 的供电系统设计成闭合环形。在正常情况下,Q IS 和TIS 各供电给一个33 kV 供电网络。两个33 kV 供电网络经过两台断路器在调景岭牵引降压混合变电所处连接。正常情况下这两台断路器打开,只有在其中一个主变电所出现故障而完全解列退出运行时,这两台断路器才会合上,由另一个主变电所负责整个全线33 kV 供电网络的供电。
在每个车站、附属建筑物以及车辆段内,均设有33/ 0. 415 kV 动力变压器,以提供电力给动力、照明、通风/ 环控、物业开发等其它负荷。正常情况下,每台动力变压器均单独工作,承担本供电范围内的负荷用电。当其中任何一个动力变压器因故障不能运行时,相邻近的动力变压器则负责承担其供电范围内的负荷用电。
为了保证33 kV 交流供电系统网络安全可靠地运行,系统中设置有继电保护装置。主要有: ① 132/ 33 kV 进线变压器低压侧的方向性过流保护、接地故障保护; ②33 kV 环网供电网络(电缆) 的导引线保护、方向性过流保护和接地故障保护、反时限过流和接地故障保护; ③33/ 0. 415 kV 动力变压器的绕组过热保护、气体压力保护、瞬时过流保护、反时限过流和接地故障保护等; ④ 整流变压器的反时限过流和接地故障保护、瞬时过流保护、油温保护、油液面降低保护、绕组温度保护、气体压力保护等; ⑤33 kV 母线的反时限过流和接地故障保护、电流差动保护。
图1 33 kV 交流供电系统示意图
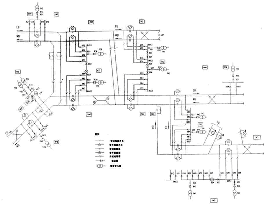
母线相连。除了POL 牵引变电所1 500 V 直流正极3 直流牵引供电系统母线采用单母线型式外,其它4 个牵引变电所1 500 V 直流母线均采用单母线带断路器分段接线型式,从直流牵引供电系统示意图见图2 。直流牵引供电系统的电源来自33 kV 供电网络,通过直流1 500 V 架空接触网向地铁电动车组提供牵引电力。
直流牵引供电系统设计最高电压为1 800 V , 最低为900 V 。将军澳地铁延伸线工程全线共设5 座牵引降压混合变电所,它们分别为KTT 牵引变电所、TKL 牵引变电所、POL 牵引变电所、TIS 牵引变电所和TKOD 牵引变电所。每个牵引变电所设有一组或两组整流机组,每组整流机组负责提供十二脉波1 500 V 直流电源。整流机组一端通过直流快速断路器与1 500 V 直流正极母线相连,另一端则直接与负极1 500 V 直流正极母线经过馈线快速断路器和直流上网隔离开关向接触网供电。
当牵引供电系统发生故障时,必须迅速及时地清除故障。在该工程中,对于不同的设备,主要采用了下列保护装置:
① 对整流器装置的温度保护、本体保护及框架泄漏保护; ② 对整流器快速断路器的逆向电流保护和框架泄漏保护; ③ 对馈线快速断路器的框架泄漏保护、瞬时过流保护、定时限过流保护、热过负荷保护、电流变化率和电流增量保护等。此外,在两个不同的牵引变电所之间还设有双边联跳保护。

图2 1 500 V 直流牵引供电系统示意图
4 屏蔽门( PSD ) 和过电压保护装置(OVPD)
在将军澳地铁延伸线工程中,每个车站的站台上均设计安装有屏蔽门,用来防止乘客和地铁工作人员误入轨道发生危险;或当区间隧道发生如火灾之类的危险情况时,能在一定的时间内保护乘客安全撤离。
另外,为了保证地铁列车操作人员及乘客不受钢轨、屏蔽门与大地之间电位差的影响,在站台板通常敷设一种高介电强度的绝缘材料(一般从站台边缘向内延伸覆盖2 m 的范围),用于提高站台的电阻,以使屏蔽门与大地绝缘。当发生事故时(如架空接触网断裂落到道床上,或落到贴近钢轨的部位,甚至与钢轨接触,或直接落到屏蔽门上),钢轨电势或屏蔽门电势很大,足以对乘客及地铁列车操作人员产生危害。这时连接在钢轨或屏蔽门与大地之间的过电压保护装置就会动作,将钢轨电势或屏蔽门电势限制在预定的安全值以下,从而保护乘客和地铁列车人员的人身安全。
过电压保护装置设计安装在每个车站的屏蔽门设备室或牵引变电所的整流器室中。安装在屏蔽门设备室的过电压保护装置一端与大地相连,另一端与站台上屏蔽门相连;安装在牵引变电所整流器室中的过电压保护装置亦是一端接地,而另一端则接在钢轨上。同时,钢轨与屏蔽门亦在一点处连接,这样可以减少乘客或列车操作人员遭受到电击的危险。在正常情况下,打开过电压保护装置,将钢轨或屏蔽门与大地绝缘,当由于故障导致钢轨电势或屏蔽门电位升高并超过预定的设置值时,在非常短的时间内,安装在过电压保护装置中的电流电压传感器就会启动,使过电压保护装置中的开关闭合,从而将屏蔽门电位或钢轨电位限制在安全值以下。

