广州地铁2 号线风机控制的改进方案
摘 要 结合广州地铁2 号线通风空调系统中风机的控柜内转换开关SA 确定的。当1SA 打到“ 就地”
控制设计,提出了在满足有关规范要求和通风空调工艺要求的前提下,简化风机控制的方案。即:由原来的三级控制改为两级控制;风机的自动控制实现模式控制,主要用于地铁运营;风机的就地控制只实现单台设备的控制,取消了与风阀等设备的联锁控制。该方案有利于降低工程投资,提高系统的可靠性。
关键词 地铁,通风空调系统,风机控制
地铁通风空调系统中有许多风机,按功能分为隧道风机、轨道排风机、送风机、排烟风机、回/ 排风机、组合式空调器等。
根据通风空调工艺要求,大部分风机、风阀之间存在联锁要求。风机、风阀的联锁是一一对应的,即一台风机对应一台联动风阀。在启动风机时,先启动与之联动的风阀; 相反,在风机停止运行后,才能关闭联动风阀。
风机的启动主要采用软启动和直接启动。软启动主要用于容量较大的风机。大容量的风机启动电流大、启动时间长, 直接启动将引起电网低压(低压母线) 的下降,影响接在电网上的其他设备和系统的正常工作。小容量的风机均采用直接启动。
1 通风空调系统中风机的控制
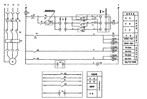
广州地铁2 号线对通风空调设备的风机、风阀采用集中配电和控制,在地铁车站通风空调设备集中的地方设环控电控室。通常一个地铁车站设两个或两个以上的环控电控室。风机的控制采用车站控制室控制( 简称车控) 、环控电控室控制( 简称环控) 及风机附近的就地控制, 典型的风机控制原理图如图1 所示。
从图1 可以看出,风机的三级控制是由设置在风机就地控制箱内转换开关1SA 和设置在环控电位置,操作就地控制箱面板上的启停按钮, 可实现风机的启停控制; 当1SA 打到“ 环控车控”位置, 同时SA 打到“ 环控”位置,在环控电控室低压开关柜屏前操作风机的启停按钮,可以实现风机的环控电控室控制; 当1SA 打到“ 环控车控”位置, 同时SA 打到“车控”位置,可以实现车站控制室控制。车站控制室控制是由机电设备监控系统(EMCS) 自动完成的。每一级控制都能在车站控制室、环控电控室、就地控制箱显示风机的运行状态, 如开机、停机、故障、控制方式等状态。
根据通风空调工艺要求,对于有联锁要求的风机,应把联动风阀中继常开触点串接在风机控制回路中,实现先开风阀后开风机的目的; 同时把风机一次回路中的接触器辅助常闭触点串接在风阀的控制回路中, 实现先停风机再关闭风阀的工艺要求。
2 控制特点及存在问题
目前采用的集中配电和控制便于管理,满足有关规范要求,实现了风机就地控制和远方控制( 车控和环控),并且远方控制可以通过操作转换开关1SA 解除。另外,当EMCS 系统发生故障甚至瘫痪时,系统还能在比较集中的环控电控室完成通风空调系统的手动操作。
但是,这种控制方式存在的问题是: 控制级数多,为三级控制,分别在三个地方实现;三级控制中就地控制优先,而环控与车控两级控制优先权不分先后; 二次接线选用了较多元器件,接线也较多; 就地控制箱、低压开关柜、EMCS 的监控柜之间通过控制电缆连接, 对于有联锁关系的风机, 风机与风阀之间还有一根控制电缆, 所以使用的电缆根数多、长度大; 从环控电控室出去的电缆包括电力电缆和大量的控制电缆,造成敷设困难;此外,低压开关柜内的接线也非常复杂。风机控制原理复杂、使用的元器件多、电缆量大,势必使整个系统的抗干扰能力下降、可靠性降低、设备维护检修困难、工程投资增大。

图1 风机控制原理图
3 改进风机控制设想
从上面分析得知,广州地铁2 号线对风机等设备的控制存在许多问题,解决这些问题主要从以下几个方面考虑:
1) 降低控制级数
在满足有关规范的前提下,首先应降低控制级数。地铁中,由于设备多且分散设置,风机等设备的自动控制是必须的,所以风机必须设远方控制。远方控制由EMCS 实现。规范明文规定,除了远方控制还需设就地控制。就地控制主要用于设备的调试与维修,一般设在设备附近。目前,环控电控室虽然设在环控负荷中心,但与环控负荷还有一段距离,通常为几米到几十米甚至更远一些;且环控电控室与风机等设备不在同一房间内,所以环控电控室手动控制不宜作为设备就地控制,就地控制还是设在设备附近较为理想。
风机的控制可以采用两级控制:风机附近的就地(手动) 控制和车站级的自动控制(远方控制) 。就地控制的控制级别优先于自动控制。自动控制主要用于运营。
2) 就地控制取消风机风阀联锁控制
为了更进一步简化风机的控制,风机与风阀及其它环控设备的联锁控制可由EMCS 实现,就地控制只实现单台设备的手动控制。实际上,手动控制要实现复杂的联锁控制很困难,甚至是不可能的。地铁车站的通风空调与防排烟共用一套设备,并分区域设置,因此,地铁通风空调设备是按模式控制的。一个模式由一台以上风机、风阀联锁控制实现,一台风机可能涉及到几个模式。因此,用手动控制实现联锁控制是无必要的,且它只能实现模式控制中的一部分功能。
3) 取消控制回路的试验按钮和串接的断路器辅助触点
图1 二次回路中,试验按钮1SF 、QF 主要用于风机安装调试时检查控制接线是否正确,安装调试后基本上可以不用。检查控制接线的正确与否可以通过许多别的办法而不需要增加元器件。所以, 1SF 、QF 可以取消。
4) 就地控制由PLC 实现
对应图1 , 简化的风机控制原理图见图2(风机的一次接线图不变) 。一根控制电缆。

图2 简化的风机控制原理图图3 用PLC 实现风机控制输入、输出接线图
图2 中,就地控制可以通过操作就地控制箱面板上的启停按钮SS′、SF′实现。当实现远方控制时,PLC 输出点使YKZ 接通,风机启动; 当YKZ 断开时,风机停止运行。风机的两级控制由设置在就地控制箱的转换开关1SA 切换实现。风机的启、停、故障状态,以及风机的控制方式,由PLC 通信模块经网络送至车站控制室的车站级控制系统显示,同时也在就地控制箱面板上显示。用PLC 实现风机控制输入、输出的接线图如图3 。从图2 、3 可以看出:风机控制原理图使用元器件少、接线简单。风机就地控制箱内主要安装启停按钮、状态指示灯、转换开关,PLC 安装在就地控制箱内或者独立安装。从就地控制箱至配电室只需就地控制。即由原来的三级控制改为两级控制。
4 结论
改进后的地铁风机控制取消了原来的环控电控室控制,只设车站控制室自动控制和风机附近的风机的自动控制按照通风空调工艺要求实现模式控制,主要用于地铁运营;风机的就地控制只实现风机单台设备的控制,取消了与风阀等设备的联锁控制,主要用于风机调试及维修。经过简化,风机控制接线简单,使用元器件少, 电缆使用量少,从而提高了系统可靠性,降低了工程投资。
参 考 文 献
1 刘小英,刘闽生. 中央空调系统的配电控制及节能. 建筑电气,1998 , (4) :36~37
2 黄民德,黄琦兰. 可编程序控制器原理及在建筑中的应用. 天津:天津大学出版社,1999
3 广州市地下铁道二号线首期工程动力与照明通用图. 2001

