无加固软土深基坑有支撑暴露变形分析
【 摘 要】 给出了深基坑支护结构有支撑暴露变形的定义,分析了有支撑暴露变形的影响因素。通过对实测数据的分析得出了无加固深基坑有支撑暴露变形与时间的相关关系。结合工程实践,给出了有支撑暴露变形的控制方法。
【关键词】深基坑 有支撑暴露 变形控制
1引言
上海地区土质软弱,地下30m深度以内的地层多属流塑和软塑粘土。土质具有高含水量、高灵敏度高压缩性、低密度、低强度、低渗透性等特性,其流变性显著。在这种土层中进行深基坑施工具有很大的风险性。其风险主要表现在:深基坑自身的风险、深基坑施工对周围环境的影响。
在保证深基坑整体稳定的前提下,深基坑施工的风险主要与深基坑施工工程中的变形控制有关。变形控制已成为深基坑设计和施工过程中最主要的考虑因素之一。
深基坑围护结构变形按时间顺序可分为:前期变形(基坑开挖前的变形)、开挖期间的变型(基坑开挖至底板施工完毕期间的变形)、后期变形(底板浇捣后的变形)。其中开挖阶段被动区土体应力、围护结构内力以及支撑轴力等参数均很高,因此此阶段是基坑施工中安全问题最突出、变形最大的阶段。开挖阶段变形控制是深基坑变形控制的重点。
深基坑采用分层开挖。对于每小块土体,根据其相应支撑轴力的施加状态,可将其施工时间分为无支撑暴露时间和有支撑暴露时间。相应地,其变形亦可分为无支撑暴露变形和有支撑暴露变形。
2 开挖阶段变形
基坑开挖是一个土体应力释放过程,此过程打破了原有地层的应力平衡体系,扰动后的土体进步流变和固结。基坑支护结构在坑内外土体的不平衡压力作用下向坑内移动。
基坑的开挖过程中围护结构变形除决定于围护结构自身力学特性和土层参数外,还与施工参数(开挖时间及空间尺寸、形状)密切相关。①开挖后因卸载而引起的土体应力随时间变化而变化,围护结构受力状态亦随之变化,围护结构向基坑内变形逐渐增大;基坑的安全性随着时间的发展而逐渐降低;②土体的变形随时间的发展而增大,土体及围护结构变形发展贯穿于基坑施工的全过程;③土体的位移与开挖的空间形状、尺寸密切相关。时间效应和空间效应是耦合的,两者的共同作用影响着支护结构的变形。
根据支护结构受力状态及变形发生的时间的不同,可将开挖阶段变形分为两类:无支撑暴露变形和有支撑暴露变形。
2.1 无支撑暴露变形
围护结构无支撑暴露时间是指分块土体开挖至被动区土体不足以阻止围护结构变形时起,到对应位的支撑施加预应力完毕止的一段时间。其中包括两部分:墙后土体开挖时间和对应支撑架设及施加预应力时间。所以为控制围护结构无支撑暴露时间,应分别控制此二部分的施工时间。
为控制围护结构无支撑暴露时间,需根据设计要求和实际施工条件确定施工工艺:考虑施工机械及施工技术条件、土体加固情况等,确定每步开挖的空间尺寸及围护结构无支撑暴露时间。
时空效应理论中对各种基坑的开挖方式和参数均做了详尽的规定并且提供了计算方法。具体参数可参见“上海地铁基坑工程施工规程(SZ-08-2000)”
2.2有支撑暴露变形
围护结构有支撑暴露时间指维护结构在一层土体开挖、支撑完毕至下一层土体开挖之间的一段时间。有支撑暴露变形即基坑支护结构有支撑暴露期间的变形。
基坑施工工艺决定了同一断面两次开挖必须间隔一定时间,即有支撑暴露时间。有支撑暴露期间用于温度变化、主被动xE~体流变、施工扰动等因素作用,基坑挡墙必将产生变形。有支撑暴露变形主要与下列因素有关:暴露时间、开挖深度、支撑轴力及加固情况。以下将以上海地铁一号线北延伸段延长路站为例,着重分析有支撑暴露变形与开挖时间的关系。
3 有支撑暴露变形分析
3.1 工程概况
延长路车站,位于共和新路延长中路的交叉口西侧地下,沿共和新路呈南北向布置,为地下二层岛式车站。
本车站基坑工程等级为二级。车站净长226.6m,标准段宽17.6m。车站主体围护结构采用地下连
续墙,地下连续墙厚度二侧端头为800mm厚,深度29m;中间部分为地下连续墙800mm厚,深度27m。基坑开挖深度,端头井为16.84m,车站标准段为15.24m。标准段降水开挖,端头井基坑底部注浆加固,加固范围为坑底以下4m。
延长路车站主要涉及地层:①人工填土②褐色—灰黄色粉质粘土③1灰色淤泥质粉质粘土③2灰色粘质粉土③3灰色淤泥质粉质粘土④灰色淤泥质粘土⑤l-1灰色粘土⑤1-2灰色粉质粘土⑥1暗绿色粘土⑦1-1草黄色砂质粉土。整个车站土层分布较均匀,分层界限明显。车站标准段基底位于灰色淤泥质泥土层中;端头井亦位于该层中。标准段地下连续墙底为位于暗绿色粘土层中,端头井地下墙进入⑦1—1。延长路车站墙体的斜点布置图如图1。

3.2 有支撑暴霹变形估算
延长路车站墙体测斜点布置图
3.2.1 有支撑暴露变形与总变形的关系
有支撑暴露变形与时间密切相关,一下按开挖总时间将各个测斜断面进行分类:
(1)约15d。图2为10号测斜孔开挖期间变形曲线,开挖总历时13d。由于开挖施工总时间较短因此有支撑暴露变形亦较小。有支撑暴露变形约占开挖期间总变形的1/3。

(2)约30d。图3、图4分别为3号、18号测斜孔开挖期间变形曲线,其中3号孔开挖总历时36天,18号孔开挖历时30天。此处施工速度比较常见,基本保持一周一层土。有支撑暴露变形约占开挖期间总变形的1/2。

图3 3号测斜孔变形曲线
图4 18号测斜孔变形曲线
(3)大于45d。图5、图6分别为4号、20号坝蝌孔开挖期间变形曲线,其中4号孔及20号孔的开挖总历时均为55天。此断面处开挖施工不连续,有支撑暴露时间较长。有支撑暴露变形约占开挖期间总变形的3/4。

图5 4号测斜孔变形曲线

图6 20号测斜孔变形曲线
由上述分析可知:开挖时间对有支撑暴露变形的影响可以近似以30~35d为界,一般若开挖时间很短(如<15d),则有支撑暴露变形较小,为开挖变形的1/3;若开挖时间为30~40d,则有支撑暴露变形与开挖变形基本相当;而当开挖时间很长(如大于45d),则有支撑暴露变形将显著增加,明显大于开挖变形。
3.2.2 有支撑暴露变形与时间的相关关系
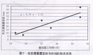
对上述图2~图6进行整理,可得出有支撑暴露的最大变形与基坑施工(至底板)时间的相关关系,如图7。

图7 有支撑暴露变形与时间的相关关系
由图7可知,有支撑暴露的最大变形与基坑施工时间近似成线性关系:
y=O.79x-2.63
式中,y为有支撑暴露变形;x为基坑施工(至底板)时间。
4 有支撑暴露变形控制
深基坑变形控制贯穿于施工的全过程。根据以上分析,可将深基坑变形控制分为两部分,即:无支撑暴露变形控制和有支撑暴露变形控制。其中无支撑暴露变形控制主要通过控制其施工参数,如开挖宽度、开挖时间、支撑时间、支撑轴力等等。
由上述分析可知,有支撑暴露变形与时间直接相关,因此为控制有支撑暴露变形应尽量缩短有支撑暴露时间。另外,有支撑暴露期间由于温度变化、施工扰动、主被动区土压力变化、支撑应力功松弛等原因,导致支撑轴力损失。因此控制有支撑暴露变形还应在基坑有支撑暴露期间按要求复加支撑轴力。复加支撑轴力控制标准有应力控制标准和变形控制标准。应力控制即当支撑轴向应力损失达到某一阀值时,进行轴力复加。位移控制即当支撑端点位移(目附应的维护结构位移)变化达到某一阀值时,进行轴力复加。实践中可根据基坑变形控制的要求制订应力和位移阀值,必要时采用复合控制标准。
5 结 论
(1)有支撑暴露变形是深基坑开挖阶段变形的重要组成部分,在深基坑变形控制过程中应给予足够的重视;
(2)有支撑暴露变形主要与暴露时间、开挖深度、支撑轴力及加固情况等因素有关;
(3)有支撑暴露的最大变形与基坑施工时间近似成线性关系:y:0.785x-2.63;
(4)控制有支撑暴露变形应尽量缩短有支撑暴露时间,减少有支撑暴露期间的施工扰动并及时按
要求复加支撑轴力。

