CCG注浆过程的数值模拟研究
【提 要】:本文基于有限变形理论,采用点面接触模型模拟注浆过程中浆泡与土体之间的相互作用关系,通过拉格朗日方法引入这种相互作用关系,用约束变分原理建立适合模拟CCG注浆过程的控制方程。然后根据在试验中观察到现象建立的注浆过程模型编制的有限元程序可以动态模拟CCG注浆过程,为CCG注浆施工的优化设计奠定了基础。
【关键词】:CCG注浆有限变形点面接触模型数值模拟
Abstract: On the basis of the finite deformation theory,the theoretical study and numerical simulation are made on compaction grouthing.By using modified Lagrangian formula,the simulation is taken on viscous contact between mortar bubble and soil ground by point an surface contact model.A control formula is set up to adapt to compaction grouting by finite element method,and the compaction grouting model is established on the basis of testing observation.Finally,the finite element program is developed using Fortran language intended to dynamically simulate the injection process.
Keywords: compaction grouting, finite deformation, point and surface contact model, numerical analysis.
1 引言
在加固地基土层的各种注浆方法中,无论是劈裂注浆、渗透注浆还是喷射注浆,注入的浆液均是易于流动的,而CCG注浆注入的浆材是坍落度很小、甚至近似为零的不流动的浆材。这使得CCG注浆方法具有比其他注浆方式更好的可控制性,注浆施工时浆液可以准确地注入到土层中的预定位置,浆液注入到地下土层后不进入土体的孔隙,也不劈裂土层,在均匀土体中形成一个整体向周围扩大并挤密周围土体的浆泡,通过提升或下降注浆管,在注浆管的端部就可以产生一系列局部相“重叠”的浆泡,形成一柱状注浆体(图1),并挤密周围土层,达到加固地基的目的。

因为注浆浆液的特殊性,CCG注浆的加固机理不同于其他的注浆方法,加上诸多的注浆变量如注浆孔的间距、注浆体长度、注浆速率、注浆压力、注浆量等,CCG注浆施工设计涉及到一组复杂的参数。从世界范围来看虽然人们对这种注浆方法的机理进行理论研究并提出了各种不同的注浆设计方法,但理论研究水平仍然滞后于实际应用发展的需要,迄今为止,还没有一套成熟的注浆设计方法能够合理地考虑涉及到具体工程的不同的参数并对这种注浆方式进行优化设计。要解决这个问题,最关键的方面在于有效地动态模拟CCG注浆过程。采用何种方法描述CCG注浆过程中浆泡与土体之间的相互关系也是一个关键问题。K. Komiya、Adel M. EI-Kelesh和K. Soga等人都采用了穴孔扩张(Cavity expansion)理论模拟浆泡与土体之间的接触,在浆泡与土体之间的分界面上通过人为地施加各向均匀的分布力模拟CCG注浆过程,但用有限元进行分析时,在每个荷载步中施加多大的力是不易确定的。另外,采用这个方法只能模拟单个浆泡的情况,不能模拟连续的注浆过程。对于单个浆泡的注入过程和连续的注浆过程,可以采用点面接触模型,在CCG注浆过程中浆泡与土体之间没有相对滑动,变形前后接触点的局部坐标值相同,它们之间的接触是粘滞接触。研究中将注浆泡与土体作为一个系统中的两个相互接触的物体,那么,注浆泡体和土体离散化后,注浆泡与土体之间的相互接触就可以模拟为接触面上土体的结点与注浆泡表面的任意点的接触。另外,应该注意到当介质在荷载作用下发生的位移(与自身的几何尺度相比)和应变(与1相比)很小时,建立物体和微元体的平衡条件时可以不考虑物体的位置和形状的变化,因此,分析中不必区分变形前和变形后的构形,相应的变形可以用无限小的线性应变进行度量。CCG注浆过程中靠近浆泡的土体不符合小变形和小应变假设,此时必须考虑变形对平衡的影响,即平衡条件应建立在变形后的构形上,所以,应采用有限变形理论分析CCG注浆过程中注浆体周围土体的变形问题。
本文基于有限变形理论,采用点面接触模型模拟注浆过程中浆泡与土体之间的相互作用关系,通过拉格朗日方法引入这种相互作用关系,用约束变分原理建立适合模拟CCG注浆过程的控制方程。然后编制了可以动态模拟CCG注浆过程的有限元程序,用该程序对鞍山路地铁车站基坑加固注浆进行了模拟计算和分析,并将模拟计算结果与现场实测值进行了对比。
2 有限变形条件下的CCG注浆过程的控制方程


3 模拟CCG注浆过程的有限元分析
3.1 注浆模型的建立与系统的离散化
通过试验发现,注入土体中的浆液不进入土体孔隙,在均质土体中形成一个球体,或通过均匀提升注浆管可形成均匀的柱状注浆体,注浆体与土体之间有明显的分界面。

根据以上观测到的现象,可以建立图1和图2所示的注浆模型,其中,图1表示土体中已形成的一个长度(高度)为H,直径约为d的柱桩注浆体,图2表示柱状注浆体的形成过程,先形成一个独立的球体,这个球体由小到大,其半径由R1增大到半径R2,再增大到半径R3;第一个球体生成好之后,接着在第一个球体上方生成第二个球体,第二个球体的生成也是由小到大,同样其半径由R1增大到半径R2,再增大到半径R3,但是第二个球体与第一个球体有部分重迭,注浆的实际情况就是这样。同理,可生成第三个、第四个、第五个和更多个球体,形成不断增长的柱状注浆体。本文模拟注浆过程的计算程序就是按照这样的注浆模型编制的,从而模拟出连续的注浆过程。
然后,将柱状注浆体和土体作为一个整体或一个系统来考虑,但对这二者进行离散化时可以分开处理,注浆泡的离散见图3所示,第一个浆泡表面离散成12个线性单元,其他浆泡也作相应类似离散。在注浆压力的作用下,注浆过程中浆泡的变形相对于土体来说较小,因此,在实际处理中可以将其近似地看成刚体,也可以将其当成变形体,这可以通过设定变形模量的大小来实现。土体的离散需要仔细考虑,应该适当进行土体的网格划分,若网格划分得太细,一方面随着节点数和单元数的增加,计算工作量会大量增加;另一方面,若划分的网格太小,由于注浆体变面附近的土体会发生大变形,因而有些单元形状会发生畸变,致使该单元的雅可比矩阵的逆阵不存在,也就无法进行计算了。
3.2 CCG注浆的模拟计算
本文的程序是按空间轴对称问题编制的,共有35个子程序和一个主程序。程序考虑了几何非线性和材料非线性以及接触边界条件非线性的有限元分析程序。该程序可以模拟连续的注浆过程,能够计算出注浆过程中任意时刻注浆体周围土体的位移场,还能计算出注浆体周围土体的塑性变形范围。土体单元采用了四节点线性等参单元,接触边界元为线性单元。土的本构模型是考虑Mohr-Coulomb屈服准则的弹塑性模型。这里对鞍山新村地铁站基坑的中间标准段的CCG注浆过程进行模拟计算,并将计算结果与在标准段进行的单孔注浆试验过程中的实测结果进行比较。
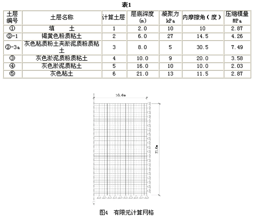
根据提供的地质勘察报告,各土层的物理力学性能指标见表1。
计算深度取为21.0m,计算半径取为10.0m。边界条件为:底面和右侧面的径向位移和竖向位移为零;上表面自由;左侧面为对称轴。计算中泊松比取0.49,其中的压缩模量应换算为变形模量。有限元网格划分见图4,采用四节点线性等参单元,结点总数为903,单元总数为840。在车站基坑中间标准段进行的单孔注浆试验中,注浆从地表下16.5m开始,最后形成了一个半径为25~27cm、长度为3.0m的柱状注浆体,模拟计算时也是从地表下16.5m开始注浆,模拟的注浆体长度与半径基本上与试验中情况相同。部分计算结果如图5~图12所示。图5和图6表示注浆体周围土体在竖值方向的位移,其中,图5表示注浆过程中地表面的隆起值与注浆体长度之间的关系。图6表示注入第一个浆泡后不同深度的土层在竖直方向的位移值。图7和图8表示注浆过程中注浆体周围土体在水平方向上的位移。其中,图7表示距离注浆体中心线为2.5m处土体在水平方向的位移值与注浆体长度的变化(即注浆量和注浆深度的变化)之间的关系。图8表示注浆体长度达到3.0m时,距离注浆体中心线不同处的土体的水平方向位移值的变化。可以看到,注浆的开始阶段,位移的增量明显;随着注浆体长度的增加,水平方向的位移量增加不多,水平位移的峰值点随着注浆体长度的增长而逐渐上移。图9~图12中,将试验中的实测值与相应的计算值进行了比较。计算值的大小与实测值的大小接近,但曲线的形状不完全吻合。对于软粘土来说,因为侧斜管本身有一定的刚度,它不可能完全真实地反映出土体的实际变形,模拟的曲线形状比实测的变形曲线更能真实的反映实际变形情况。




4 结语
(1) 本文基于有限变形理论,采用点面接触模型模拟注浆过程中浆泡与土体之间的粘滞接触形式,根据在试验中观察到现象建立注浆过程的模型是恰当的。
(2) 文中通过拉格朗日方法结合变分原理建立适合了模拟CCG注浆过程的控制方程,编制的有限元程序可以动态模拟CCG注浆过程,通过对鞍山路地铁车站基坑加固注浆过程进行了模拟计算和分析,模拟计算结果与现场试验实测值基本吻合。
(3) 通过本文对CCG注浆过程的动态模拟方法,为进一步进行CCG注浆施工的优化设计奠定了基础。
参考文献
[1] Adel M. El-Kelesh, Ismail M. Basha, model of compaction grouting, Journal of geotechnical and geoenvironmental engineering, 2001, november, p955~ 964
[2] Pantuso D., Bouzinov PA., Bathe KJ, a finite element procedure for the analysis of thermo-mechanical solids in contact , Computers & Structures, 2000, Vol.75, No.6
[3] Carter, J. P., Booker, J. R. & Yeung, S. K. , Cavity expansion in cohesive frictional soils. Geotechnique 36, No. 3, 1986,349-353
[4] Graf, Edward D. Compaction Grouting Technique and Observations, Journal of the Soil Mechanics and Foundations Division, ASCE, 1969, p1151~1158
[5] Ning Hu, A solution method for dynamic contact problems, Computers & Structures, Vol.63, No.6, 1997,1053-1063
[6] Warner, James, Compaction Grouting Mechanism - What Do We Know, Grouting Proceedings of the Geo-Institute, ASCE, Geotechnical Special Publication No. 66, 1997, p1
[7] 程晓,张凤祥. 土建注浆施工与效果检测. 上海:同济大学出版社,1998
[8] 李向红,傅德明,刘建航. CCG注浆及其工程应用. 工业建筑,2003,12
[9] 李向红,傅德明. CCG注浆试验研究. 工业建筑,2003,11
[10] 苏世丰,廖洪钧. 挤压灌浆后粘土之正规化不排水剪力强度变化. 第八届大地工程学术研究讨论会论文集,1999,p665~662
[11] 王勖成,邵敏. 有限元基本原理与数值方法. 北京:清华大学出版社,1988
[12] 殷有泉. 固体力学非线性有限元引论. 北京:北京大学出版社、清华大学出版社,1987
新闻来源:《城市交通隧道工程最新技术》

