城市轨道交通噪声控制方法及其对策研究1前言 城市轨道交通噪声污染是个非常复杂的问题。它与车辆噪声、轮轨噪声、轨道结构、路基、桥梁结构、车辆运行速度以及周边环境都有密切关系,解决城市轨道交通噪声问题是一个综合的系统工程。 本文针对北京城市铁路地面轨道交通线噪声产生的基本规律、噪声影响程度的评估方法,从理论上进行了研究;对不同道路结构类型、不同车速和行驶方向产生的噪声,进行了现场实测,取得了关于轨道交通噪声理论计算所需要的重要参考数据。根据理论计算结果及消声设备的消声原理和性能特点,提出了北京城市铁路地面轨道交通线噪声控制对策。按所提出的控制方法在北京城市铁路地面轨道交通线沿线实施后,其噪声值完全控制在国家有关噪声标准范围内,降噪效果达到了预期的目标。2城市轨道交通噪声的理论计算与实测分析 影响城市轨道交通噪声辐射大小的因素很多,但最重要的有两个,一是列车自身的噪声辐射,这主要由列车的牵引噪声(主要取决于电机噪声)、空调噪声以及车体的噪声辐射;另一个是轮轨噪声,这主要来源于轮轨的摩擦、撞击以及轮轨的阻尼特性、路基、道床等因素。本文主要针对轮轨噪声进行研究。2.1城市轨道交通噪声的理论计算 根据声传播理论,轨道交通噪声可看作为一不相干的有限长的线声源。根据不相干有限长线声源的理论,垂直距离线声γ处的声强I为:




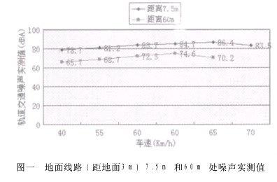
2.2北京城市轨道交通噪声的计算与分析 北京城市铁路是北京市第一条地面轻轨交通线,全长41km,沿途有许多居民住宅区,属于环境噪声敏感地段。2.2.1列车7.5m处轨道交通噪声值L0值的确定 根据轨道交通噪声计算式(6),需要提供车速为60km/h时距离钢轨7.5m处列车的A计权噪声级L0,而该值通常需要由实验确定。城市铁路道路结构一般有三种类型:地面线路、高路堤线路和高架线路,本研究重点选择了具有这三种不同道路结构类型特点的轨道交通噪声情况进行了现场实测。噪声实测值分别见图一、图二、图三。


由图可知:轨道交通道路结构不同,其噪声辐射水平也不同,以地面线路最低,高架线路最高;随着车速的增加,噪声辐射水平呈增加的趋势;距钢轨的距离越远,噪声辐射水平越小。 考虑到车速不同,辐射噪声不同的影响因素,通常在计算平均辐射噪声值时,取55~70km/h之间测量值的平均值,作为相当于车速为60km/h、距离钢轨7.5m处的列车轨道交通噪声基准值L0。本研究综合上列三图的实测结果,对车速为60km/h、距离钢轨7.5m处不同线路结构的轨道交通噪声基准值L0取值如下:地面线路:L0=84.6dBA(实测平均值)≈85dBA(基准值)高路堤线路:L0=89.2dBA(实测平均值)≈89dBA(基准值)高架线路:L0=91.6dBA(实测平均值)≈92dBA(基准值) 另外,对于不同车速,由于r=7.5m处的实际测量值与基准噪声值的偏差也不一样,因此在计算轨道交通噪声时需要对车速修正。2.2.2轨道交通噪声衰减与距离增加的关系 表2给出了轨道噪声随距离衰减的实测值与基准噪声值L0的比较,从而使经过距离修正后的噪声值更接近实测值。 图四为轨道交通噪声衰减与距离增加的关系。由图可见,随着距离的增加,轨道噪声的影响大幅度下降,当远离钢轨120m时,轨道交通噪声的影响已被衰减了12dBA。

2.2.3轨道交通噪声的频率特性 由高路堤段上、下行线实测的轨道交通噪声频谱图(图五、六)可看出,轨道交通噪声具有两个明显的峰值,一个在低频,一个在中频。低频主要在50~63Hz,中频主要在500~1000Hz。本研究,主要针对500~2000Hz频率段的轨道交通噪声,进行控制对策及其方法研究。

3城市轨道交通噪声控制对策3.1城市轨道交通噪声控制的主要措施 (1)合理规划。通常线路的选择既要考虑充分发挥城铁交通的作用和经济利益,同时也要尽量避开居民集中的地区,例如美国芝加哥的城铁就修建在高速公路的中间,距离公路两旁的建筑物很远,其噪声影响显然低于公路交通噪声。在城市发展规划中,居民住宅和医院、学校等噪声敏感建筑物应远离地铁,以避免遭受噪声的影响。 (2)发展低噪声车辆。车辆噪声是轨道交通重要的噪声源,它主要由电机、风扇、压缩机和车体本身的振动产生。因此开发低噪声电机和低噪声风扇产品,做好压缩机的隔声和消声器,提高车体的隔声、利用阻尼和隔振技术降低车体的辐射噪声,是降低城市车辆交通噪声的有效措施,采取这些措施后,可使车辆本身的噪声至少降低10dBA。 (3)降低轮轨噪声。轮轨噪声是轨道交通噪声的一个主要噪声源。它主要是由车轮与铁轨的撞击和摩擦产生。降低轮轨噪声主要措施包括给车轮和铁轨加阻尼材料,橡胶车轮,短轨换长轨,以减少接缝,降低铁轨本身的振动,给车轮加裙边等。采取这些措施后,也可使轮轨噪声降低8~10dBA。 (4)修建声屏障。当声波在传播的途径中遇到障碍物时,会产生辐射,有相当一部分声音能量被反射回来,只有部分声能绕过障碍物传到另一边,从而使噪声得到降低。因此声屏障是降低传播途中声能量的重要措施。 (5)建筑物隔声。在许多情况下,当环境条件受到限制,也可考虑建筑物隔声,特别是门窗的隔声是主要的措施,一般的隔声量也能达到20~30dBA。 (6)绿化减噪。绿化减噪措施是一种生态降噪的措施。通常100m的林带,约有10dBA的降噪效果,因此在条件许可的环境下,可以和声屏障结合起来,既起到吸声的效果,又可以美化环境。3.2城市铁路声屏障工程实施及效果评估3.2.1声屏障的原理 声屏障是设于噪声源和受保护噪声敏感点之间的声学障板,是用来降低噪声对噪声敏感点局部环境污染的重要措施之一。 当交通噪声遇到声屏障后产生反射,只有部分声能越过声屏障顶端绕射到其背面,在背面形成声影区。声屏障设计的基本原则是使受声点(噪声敏感区)处于声影区内,即声屏障能够阻挡声源的直达声,使绕射声尽量减少为原则。 声屏障绕射的声衰减取决于噪声的声程差和声源的噪声频率。声程差越大,声衰减越大。声程差和受声点离声屏障的距离以及声屏障材料的声学性能等因素有关。声屏障越高,声源和受声点离声屏障越近,则声程差越大。有限长度的声屏障还应同时考虑屏障长度方向两端的绕射声衰减。此外,噪声的频率越高,绕射的声衰减也越大。 声屏障的设计目标值即为声屏障的插入损失。通常,城市铁路列车编组为4节列车,每列车辆总长约100m,每列车相当于一个流动的线声源,保护噪声敏感点的声屏障的长度大于列车的长度,因此在计算声屏障的插入损失时采用无限长线声源的计算方法。3.2.2北京城市铁路交通噪声声屏障控制措施 为使噪声控制做到技术和经济合理,北京城铁吸收了国内外先进的技术,在声屏障的结构形式和材质等方面做了重点研究。声屏障的结构形式。按噪声敏感地带与线路的实际关系及隔声要求,将全线的声屏障设计为三种形式,即全封闭式、半封闭式和直立式。 声屏障的吸声部分为HA-S型吸声板或波浪吸声板,透明部分为夹胶玻璃或耐力板。波浪吸声板内部吸声材料采用无缄憎水玻璃布包裹离心玻璃棉,隔声指数STC≥30;夹胶玻璃结构的两外侧玻璃厚5mm,中间为0.76mm厚的胶膜,隔声指数STC≥30;耐力板采用透明耐光板,隔声指数STC≥25。全线共设置单侧声屏障6.4km,全封闭声屏障756m,总计43249m2。3.2.3声屏障降噪处理方案图七为典型段的城市轨道交通噪声控制声屏障外观图。

表3列出了声屏障的形式、点位、屏障高度及长度。3.2.4实施效果评估 通过北京市环境保护监测中心对建成的声屏障效果的抽查监测,结果表明被保护的敏感点目标白天城铁交通噪声均低于《交通干线两侧白天70dBA的环境噪声标准》,各敏感点的等效声压级在56.2dBA-66.2dBA的范围内。平均降噪效果基本达到了预期的目标,特别是全封闭的声屏障的降噪效果可达30dBA以上(见表4)。

4结论 北京城市铁路的声屏障工程是首次对轨道交通噪声传播的规律及治理进行了理论的探讨和实际的应用,结果表明声屏障示范工程是成功的。 轨道交通不同道路结构的噪声辐射水平不同,以地面线路最低,高架线路最高。在车速为60km/h、距离钢轨7.5m处不同线路结构的轨道交通噪声基准值L0取值如下:地面线路:L0=84.6dBA(实测平均值)≈85dBA(基准值)高路堤线路:L0=89.2dBA(实测平均值)≈89dBA(基准值)高架线路:L0=91.6dBA(实测平均值)≈92dBA(基准值) 当距离很远时,噪声随距离的衰减是符合点声源的衰减规律的,即距离增加一倍,衰减约6dBA。 城市铁路的声屏障工程减噪效果明显,敏感点的噪声平均下降了近10dBA,达到了城市区域环境噪声标准的要求。尤其是全封闭声屏障的效果特别明显,降噪效果达到30dBA以上。

参考文献:[1]《北京市城市轨道交通工程环境影响报告书》.1997.[2]《轻轨交通车辆通用技术条件》.CJ/T5021-95.[3]《地下铁道设计规范》.GB50157—2003.[4]《城市轨道交通振动和噪声控制简明手册》.2002.[5]《城市区域环境噪声标准》.GB/3096-1993.