软土地基中管棚法修建城市轨道交通地下通道工程可行性分析摘 要 在研究国内外修建人行地下过街通道成功实例的基础上,结合上海地区软土地基的特点,分析了在上海地区施工地下通道采用浅埋暗挖法的可行性。分析表明浅埋暗挖法具备安全、经济、实用的优点,在上海的软土地层中采用浅埋暗挖法施工上是可行的。关键词 轨道交通 软土地基 地下通道 浅埋暗挖1 引言 人行地下过街通道工程为了人行方便,其埋深较浅,多属于超浅埋或特浅埋(埋深3~6m),拱顶围岩无自承能力或自承能力较弱,同时结构受地面动荷载影响明显。为最大限度地减小工程量,多数矢跨比较小,甚至采用矩形断面。至今为止,上海的过街通道采用的施工方法为明挖法和顶管法。明挖法工程造价低,但对路面交通带来的影响相当大,管线迁移工作繁杂,特别是在市中心地区,采用该方法施工的负面影响太大。在上海采用顶管法施工过街通道已有成功先例:1999年地铁二号线浦东陆家嘴车站采用矩形顶管法修建了穿越延安东路隧道的过街通道(两截面3.8m×3.8m,长66m,净间距4m,平均埋深3.8m)。但采用顶管法修建地下过街通道由于施工机具的影响而使通道断面受限。 浅埋暗挖法,就是以管棚作为主要的超前支护手段,并辅之以格栅支撑、注浆止水等其它支护措施进行地下工程开挖作业的工法。与顶管法相比,它具有断面不受机具限制、开挖手段灵活等优点,与明挖法比较,它具备不干扰交通、不进行管线拆迁等优势。近年来上海市将在穿越市区范围内修建M8、L4、M7、R4等轨道交通线路,车站出入口通道穿越繁忙街道的数量相当多,为此研究一种既能将对地面交通造成的影响降到最低限度,又能适应各种功能要求,已成为必要。2国内外现状 浅埋暗挖技术在北京复兴门折返线以及西单地铁车站施工中首次采用后,陆续在北京、广州、深圳、南京等城市地铁修建中大范围推广,同时由于其具有造价低、断面形式灵活等特点在其它城市人行地下过街通道工程中也得到广泛应用。北京长安街过街通道施工步序与穿越地层如图1所示。

北京长安街上(复兴门—南池子)的十条过街通道,都处于人工回填及第四纪沉积的黏性土、砂类土之中,覆土厚度0.6~1.0m。采用3块6步的CRD工法开挖,超前支护采用?Φ32注浆小导管。竣工后最大地面沉降仅为26.08mm。 运用大管棚超前支护,结合注浆工艺,在福州成功地修建了五一路人行地下过街通道。该工程下穿五一路,长27.3m,地下水位离地面仅1.0~1.6m。地表以下4~13m分布有淤泥层(厚度7.8~8.9m,为饱和、流塑状态的高压缩性土),工程地质很差。通道净宽7.8m,覆土厚度仅1.26~1.34m,属于超浅埋隧道。施工时,为了有效地降低地下水位,对开挖井、洞室周围土体进行预注浆,采用CRD工法分室分层开挖,初期支护?Φ108大管棚、超前小导管周壁预注浆、格栅钢拱架及纵向联接筋,并喷30cm厚C20早强混凝土。竣工后路中心地面最大累计下沉值仅为2.2cm。通道施工情况见图2。

华东地区由于淤泥质黏土分布广泛,地下水埋深浅,在城市隧道施工中多采用盾构法与顶管法施工。因此适合淤泥质地层的浅埋暗挖法施工起步较晚。1999年在江苏常州成功地采用了这种方法建成了常州市文化广场地下过街通道工程。该工程设计净空11.512m×4.68m,通道全长41.683m,其中暗挖段长26.5m,覆盖层厚仅1.6m。属于超浅埋暗挖。与福州和北京地下通道不同的是该通道断面为矩形,通道顶部为无自稳能力的杂填土层,洞身穿越粉质黏土层、粉砂质黏土层,地下水埋深浅,路面交通繁忙,管线密布。该工程采用了Φ108大管棚辅以小导管超前注浆进行超前支护,在Φ159钢管支撑下采用上下台阶法分步开挖,支护体系见图3。

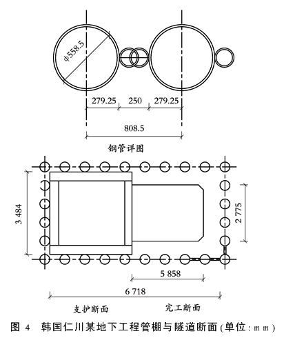
韩国仁川地铁穿越汉城—仁川高速公路段采用具有连接键的搭扣式管棚。施工中超前支护采用26根钢管施作管棚,管棚之间采用搭扣连接。当时的目的仅仅是为了提高施工的精度,以方便采用气动夯锤施工。在第一根棚管精确定位之后,其余的棚管就可以在连接键的导向下保证顺直(如图4所示)。

3浅埋暗挖法施工方案可行性研究3.1施工方案比选 由于道路封锁较困难,管线迁移量大,所以采用明挖法施工无法实现,只能采用浅埋暗挖法与顶管法进行施工。 采用顶管法,由于有盾壳保护,施工对周围土体扰动很小。但顶管断面有限,一般采用双顶管方案,顶管间必须保证一定的施工距离,势必造成接收井宽度增加。而浅埋暗挖法则断面设计非常灵活,采用新技术可最大限度地减小地面沉降,不失为既经济又可靠的施工方法。根据以往国内的施工造价比较,顶管方案的总体造价明显高于浅埋暗挖法。福州与常州建设地下通道的成功经验亦表明,淤泥质黏土中采用浅埋暗挖法施工完全可以控制住施工沉降,保证管线与地面交通的安全。 与其它地区相比较,上海地区的地下过街通道工程跨度小、覆土厚度大,常州市文化广场地下过街通道工程的修建更为其提供了参考,因此在上海轨道交通的通道工程中采用浅埋暗挖法施工是完全可行的。3.2关键技术 如果管线与交通等条件限制,在城市地下通道工程设计中,地面沉降是最重要的控制因素。 采用浅埋暗挖法施工人行地下过街通道可能导致的周围土体沉降的因素主要包括: (1)管棚施工过程中的沉降。每根棚管可视为一个微型隧道,其在成孔过程中必然会对周围土体产生一定的扰动。 (2)开挖过程中应力释放引起的沉降。随着掌子面的不断延伸,周围土体中的应力不断释放,必然会在洞室周围产生应力重分布。 (3) 开挖过程中掌子面(外涌)失稳导致的沉降。如果加固效果不理想,必然会产生掌子面(外涌)失稳,并波及周围土体。 (4)开挖过程中水土流失引起的沉降。开挖过程中如果管棚之间的缝隙止水效果不明显,必然会产生地下水外渗的通道,会使周围土体产生固结沉降,过度的水土流失则在通道周边容易产生大的孔洞。 (5) 拆除临时支撑施作二次衬砌引起的沉降。临时支撑本与初期衬砌形成完整的支护结构,为施作防水层与二次衬砌,必须逐步拆除临时支撑。拆除的速率与步骤直接影响到周围围护结构的变形与对土体的扰动。3.3设计思路 根据对浅埋暗挖法施工工艺流程的分析,可确定以下设计、施工原则: (1)通道四周均采用管棚法进行超前支护,侧壁与底板采用管棚及小导管注浆进行加固。 (2)采用非开挖技术进行管棚施工,减少管棚施工期间的沉降。 (3)开挖之前采用深孔注浆,稳固掌子面,并采用CRD工法分块开挖,纵向采用短台阶法进行施工,开挖过程中进行加强支护。3.3.1管棚施工 管棚作为一种大刚度的超前支护手段,有以下几种布置形式(见图5):(1)扇形布置,适用于隧道断面内地层比较稳定,但拱部附近的地层不稳定的场合;(2)半圆形布置,用于隧道下半部地层是稳定的,但起拱线以上的地层不稳定的场合。此外,即使地层比较稳定,但地表、周围有结构物、埋深很浅时也多采用此种布置;(3)门形布置,隧道基础是稳定的,断面内地层及上部地层不稳定时采用;(4)全周布置,用于软弱地层或膨胀性、挤出性围岩等围岩极差的场合;(5)上部一侧布置,隧道一侧有公路、铁路、重要结构物、需防护或斜坡地形可能形成偏压时采用;(6)双层布置,用于隧道上部有重要设施、拱部地层是坍塌性、不稳定或地铁车站等大断面隧道或穿越河海底段施工时;(7)一字形布置,在铁路、公路正下方施工或在某些结构物下方施工时采用。

上海修建的地下过街通道多处于富水软土地层中,为最大限度地限制洞周位移及截断水土流失路径,宜采用全周型单层布置。 目前用于管棚施工的钻机分为坑道钻机、定(导)向钻机、水平钻机、夯管锤及专用管棚钻机。长大隧道最好选用专用管棚钻机,短隧道如地下立交、地下过街通道等可考虑其它类型的钻机。而上海地区的地下通道顶部地层易产生流沙或管涌等不良地质现象。若采用普通的管棚钻机打设,仅仅采用套管螺旋屏蔽钻进,在其清孔的过程中很容易出现塌孔现象。因此在管棚施工中若采用普通的管棚钻机就极容易诱发地表大规模沉降。 非开挖铺设地下管线技术在上海的自来水、天然气管道铺设过程中取得了成功,积累了大量的成功经验。主要技术有导向钻进、定向钻进、微型隧道掘进、夯管法等铺管技术。非开挖铺管技术可用来铺设直径40~2500mm的各种地下管线,距离可达上千米。 导孔钻进技术是利用导航仪的导向作用,使导向钻头沿着设计轨迹钻进,使导向钻孔的实际轨迹与设计轨迹相符,完成导向孔施工后,进行回拉扩孔铺管施工,将工作管道铺设在设计位置。我国的通惠河南岸污水干线工程穿越京包铁路铁路道叉区地段即采用导孔钻进技术施工管棚加固,并取得成功。 因此在上海地区一般的地下通道施工中可以选择导孔钻进技术进行管棚施工。3.3.2开挖施工 地下通道由于跨度大,因此常采用CRD工法进行分块开挖。通过环向格栅与竖撑和横撑一起构成刚度很大的支撑体系。初衬厚度多为30~35cm。格栅间距多为50cm。 纵向开挖多采用台阶法。台阶的长度根据掌子面以及侧壁的稳定情况而定。北京、福州、常州几个典型的技术参数见表1所示。

3.3.3二次衬砌施工 福州五一广场过街道工程由于地处市区,地下水位高,结构设计采用复合式衬砌结构形式。具体施工时采用四道防水,即初次支护作为第一道防线,初次支护与二次衬砌之间设EVA防水隔离层,作为第二道防线;二次衬砌作为第三道防线;二次衬砌表面即地道内涂刷厚2mm防水涂料作为第四道防线,其中以防水隔离层EVA为防水主体。 常州市文化广场地下过街通道工程则主要以结构自身防水为主。在初期支护与二衬之间未施加防水层。此种办法施工进度快,对二衬的浇筑干扰小。 考虑到上海地区地层含水量大、水位高的情况,上海地区的地下通道工程设计、施工应本着“堵水为主、防排结合、多道设防、综合治理”的原则,宜采取福州五一广场的作法,设置多道防线。同时在结构自防水能力上借鉴常州市文化广场的经验。4结束语 国内外成功的修建实例表明,浅埋暗挖法具有安全、经济、实用的优点。在上海的软土地层中采用浅埋暗挖法施工人行地下过街通道在技术上是可行的。上海地下工程已经在施工与监测的配合上取得了丰富的经验,因此在施工过程中结合技术创新,加强信息化监测,是完全有可能安全稳妥地把地下过街道通道建成。参考文献1罗富荣,肖广智.浅埋暗挖小矢跨比地下过街道的设计与施工.土木工程学报,1995(6)2杨世武.淤泥质地层浅埋暗挖施工技术措施.铁道工程学报,2003(2)3克拉,颜纯文.韩国施工最大的管棚工程.岩土钻凿工程,1998(2)4蒋秋戈.国内外管棚钻机发展现状.岩土钻凿工程,1998(4)5 陈赐麟.管棚法浅埋暗挖工艺穿越铁路.市政技术,1998(2)