上海轨道交通M8线ⅠC标施工技术摘 要 叙述上海轨道交通8号线ⅠC标工程的周围环境、施工方案、施工技术,尤其对基坑的围护形式、开挖过程作较详细介绍。在地质条件差,周边环境复杂的情况下,采用了多种施工技术,通过信息化管理,充分利用时空效应,使800m长的ⅠC标工程取得了较好的施工效果。关键词 基坑施工 围护结构 环境保护 施工监测1工程概况 上海轨道交通8号线ⅠC标工程位于中原路上,南起开鲁路车站,北至国伟路,横跨殷行路、开鲁路,沿中原路呈南北向布置。全长800m,包括开鲁路站折返段(A1轴~开鲁路站22轴)和殷行路出入段(里程RDK0+223~RDK0+725)。 开鲁路站折返段(D1~D13)结构长298m,基坑开挖深度为14m、宽11~16m。出入段包括暗埋段(R1~R13)和敞开段(01~07),暗埋段结构长22m,基坑开挖深度为7~14m、宽10~14m;敞开段结构长180m,基坑开挖深度为0~7m,宽10m。 围护形式有地下连续墙、SMW工法、钻孔桩和搅拌桩,见图1。

2工程特点2.1地质条件差 8号线ⅠC标位于中原路上,中原路下原为河浜,浜底深3.8m,浜填土成分复杂,性质极差;基坑开挖深度为14m,此范围内土层由②3层砂质粉土、③层淤泥质粉质粘土与④层淤泥质粘土层组成,②3层砂质粉土较松散、渗透性较好,在地下水渗流作用下易产生流沙、管涌现象;④层淤泥质粘土属高灵敏度、高塑性软土,易产生触变、流变。2.2周围环境复杂 工程周围是大片居民小区,施工用地红线紧贴居民的公房,而居民住宅多为多层砖混结构,基础形式为条形基础。基坑施工若变形过大,将直接影响周围居民的生命和财产安全。 折返段和暗埋段基坑开挖深度为14m,西侧的围护体距上水DN1000仅800mm,东侧的围护在2条平行管线之间施工,其中1条为埋深7m的DN1500污水管,1条为埋深6m的DN1800雨水管,两管中心距为3.8~4m,管子净距2m,两管基础净距1.5m。另有污水DN600、煤气DN00、上水DN1000、上水DN300等4条管线横跨基坑。2.3线路长、工期紧 800m长的折返段和出入段为首先进行铺轨的标段,为满足铺轨要求,必须在10个月内完成施工。 开鲁路和中原路、殷行路和中原路的交叉口,交通繁忙、管线复杂,在施工全过程中,始终要保持中原路、殷行路、开鲁路交通的通畅,为此,根据现场施工环境条件和管线搬迁情况,殷行路和开鲁路在结构施工过程中必须经过2次道路翻交,因而工期十分紧。3施工方案优化 (1)分段选用合理的围护结构。折返段(D6~D13)基坑宽16m、开挖深度为14m,西侧围护距DN1000自来水仅1m,距2幢6层民房仅3m,为配合管线翻交,折返段D8段采用盖挖法,并将SMW围护改为地下连续墙围护,既满足了环境保护的要求,又提高了盖挖法施工的安全系数。 (2)D1段中间设有污水泵房,为顺作施工。因26m深的SMW围护结构加上满堂加固,对17m的开挖深度是不够的,为控制基坑变形,保护周边环境,先开挖至14m,施工D1段底板,待D1段底板达到一定强度后,再开挖至17m,进行污水泵房施工。 (3)为缩短工期、节约成本,改变先拆除管线,后施工围护结构的施工顺序,而是将围护结构外放1m,先进行主体工程围护施工,在开挖过程中,再将埋深7.5m的DN1500污水管(位于中原路东侧,与400m长的线路水平位置重叠)进行清管,从而节省了开挖、回填、地基处理等施工步骤。4施工技术4.1围护结构施工 (1)A15轴(里程RDK0+107.80)~开鲁路车站21轴的围护结构为600厚地下连续墙,深25m,每幅5~6m,采用液压抓斗工法施工,护壁泥浆性能指标及配合比设计见表1、表2。

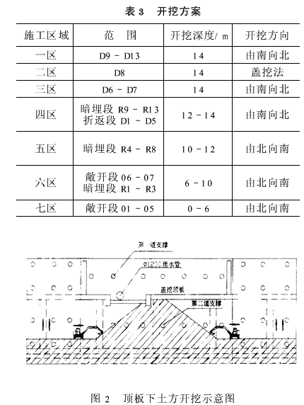
(2) 里程RDK0+107.802~RDK0+425围护结构为 850SMW搅拌桩,桩长有21、23、25、26.5、26m5种,桩与桩之间搭接厚度为250mm,内插H700×300×13×24型钢,型钢中心间距为1200mm;里程RDK0+521∽RDK0+425为 650SMW搅拌桩,桩长有17、19、21m3种,桩之间搭接厚度为200mm,内插H500×200×10×16型钢,型钢中心间距为900mm。采用单向挤压方式连续施工,浆液中水泥掺量为20%,供浆流量为240~260L/min;搅拌速度为26r/min;提升速度为1.40~1.60m/min;下沉速度为0.93~1.25m/min。 为了管线搬迁和道路翻交,共设4堵封堵墙,其施工应穿插进行,施工中存在的冷缝处采取补搅素桩方案。为保证补桩效果,素桩与围护桩搭接厚度约10cm。 (3)里程RDK0+656~RDK0+521围护结构为钻孔灌注桩,钻孔灌注桩的外侧为1排 700的深层搅拌桩隔水帷幕;里程RDK0+521~RDK0+697为4排 700深层搅拌桩重力式挡墙围护,桩之间搭接为200mm。隔水帷幕及重力式挡墙由 700@500mm深层搅拌桩连接而成,搅拌桩水泥(325#普通硅酸盐水泥)掺入量为13%,浆液由灰浆搅拌机制备,水灰比为0.5。 在隔水帷幕施工3~5d后,进行内侧灌注桩的施工。 600钻孔灌注桩深9~14m,间距700mm。钻孔灌注桩施工成孔时,钻机定位应准确、水平、稳固,钻机回转盘中心与桩中心的偏差<20mm。在成孔的过程中,钻机塔架头部滑轮组、回转器和钻杆应始终保持在同一铅垂线上;注入孔口的泥浆比重≤1.15,漏斗粘度控制在18~22s;排出孔口的泥浆比重≤1.3,漏斗粘度控制在20~26s。4.2地基加固和井点降水 (1)采用双轴搅拌桩对基坑底进行加固,因东侧基坑内在8~9m处有1根DN1500污水管,搅拌桩无法施工,改为旋喷桩加固。 (2)根据基坑开挖及基础底板结构施工的要求,采用轻型井点和深井管井点疏干,经基坑底板稳定性验算,共设置5口降压井。4.3基坑开挖4.3.1开挖方案 根据管线搬迁、道路的翻交、场地条件、施工工艺、施工进度等情况,将800m长的工程全线划分为7个区域施工,开挖方案见表3。 图2为盖挖法顶板下土方开挖示意图。

4.3.2施工顺序 (1)先施工五区(暗埋段R4~R8)SMW,并在R4北端和R8南端各设1堵SMW封堵墙,然后进行基坑开挖、结构施工; (2)开鲁路第一阶段管线搬迁后,施工七区(敞开段)钻孔桩加隔水帷幕、四区(暗埋段R9~R13、折返段D1~D5)的SMW、二区(D8)和一区(折返段D9~D13)的地下连续墙,进行地基加固(包括搅拌桩和旋喷桩),并在D5南端、D8北端、D13南端各设1堵SMW封堵墙; (3)围护完成后,先施工D8的顶板,再开挖四区(暗埋段R8~R13和折返段D1~D5)和一区(折返段D9~D1)基坑、结构施工; (4)R4和D8顶板完成后进行第二阶段管线,最后施工三区(暗埋段R1~R3)的SMW和六区(D6~D7)的地下连续墙,进行基坑开挖、结构施工。4.3.3基坑开挖注意事项 (1)为防止基坑因开挖放坡坡度过陡而产生纵向滑坡,故基坑综合放坡坡度应控制在不陡于1∶3,较深部位需设中间平台; (2)开挖深度在12m左右时,应分4层放坡开挖;每一层平坡上布置一台液压挖掘机,接力将基坑底的泥土传送至地面装车运走; (3)应根据基坑的开挖深度和围护的方式,设置2~4道钢支撑( 580和 609);在施工便道上停放50t履带吊,配合支撑的吊放; (4) 基坑开挖时要做到:平面分层、竖向分段,先撑后挖、随挖随撑、快速开挖、快速支撑、快速封底。4.4 结构施工 (1)结构施工前要做好材料、设备和劳动力等各方面的准备工作; (2)基坑挖到设计标高后,一般要求在5天内完成底板浇捣工作; (3)底板施工完成后,割除深井降水管,作为结构施工期间临时泄水孔; (4)浇捣内衬墙前,要对地下墙和接缝进行堵漏、凿毛、清洗处理,在侧墙与SMW桩体间用油毛毡隔离。当渗漏量较大时,可注浆或引流处理渗水。堵漏材料要满足具有延伸率大且能抵抗设计水压,又和混凝土基面有较好粘结力要求,堵漏施工要简单可行,但要精心操作; (5)顶板施工严格控制混凝土级配,加强混凝土施工管理,保证混凝土标号和抗渗指标符合设计要求,加强养护;做好诱导缝或施工缝; (6)有条件的情况下,及早回填覆土。图3、4、5分别为敞开段、暗埋段、折返段的横断面示意图。

5施工监测 为了确保基坑开挖顺利进行,按国家《建筑基坑工程技术规范》要求,根据环境和基坑具体情况选择有代表性的部位布置测点,监测支撑轴力、墙体变形、沉降、建筑物倾斜率、基底回弹等,以反馈的监测数据指导施工。使工程红线外的中原纪联小区、开鲁新村、中原新村、中原小学、东升中学和上海市杨浦区建设总公司等大量多层住宅和商业用房及中原路和殷行路下重要的 1400mm雨水管、 1500mm污水管、 900mm给水管以及36孔信息电缆等地下管线均得到保护。由于采取了跟踪注浆加固措施,确保了一区西侧2幢6层砖混结构民房的安全。 在基坑开挖过程中,监测到地下连续墙墙体最大位移为-19.5mm,SMW围护墙体最大位移为-17.6mm,建筑物最大倾斜率为2.3‰。


6 结束语 上海轨道交通8号线ⅠC标于2004-06-24开工,在施工中采取了合理的技术措施,经过1年的努力,完成了土建施工,达到了施工期间对周围环境影响较小、施工速度快、工期短、造价低的目的,取得了良好的社会效益和经济效益。