新加坡地铁环线一期C825标隧道施工
摘 要 新加坡地铁环线一期C825标隧道位于新加坡最繁华的市中心,沿线有许多高层建筑以及著名的古老建筑,隧道采用2台德国海瑞克公司制造的f6.6 m土压平衡铰接式盾构掘进。通过对盾构刀盘的改进,优化施工参数,精心操作,使盾构顺利、安全地穿越了Y-Junction、地下车库桩基群和运行中的地铁西南线。
关键词 新加坡地铁 土压平衡铰接式盾构 穿越建(构)筑物
1 工程概况
新加坡地铁环线一期C825标是新加坡地铁环线工程的首期工程,是新加坡近年来继东北线后又一重大工程。
该工程由隧道公司、新加坡和合私人有限公司、瑞典NCC工程公司组成的联营体设计、施工总承包,主要工作量包括4个大型地下车站和长2.6 km的隧道上下行线、临时段隧道(盾构掘进600 m、明挖法275 m)及其他附属结构等(见图1)。

长2.6 km的隧道上下行线,位于新加坡最繁华的市中心,沿线有许多高层建筑以及著名的古老建筑,如泛太平洋酒店、莱佛士宾馆、市政大厦等;同时,隧道所需穿越的土层地质条件复杂,地下障碍物众多,如钢板桩、工字钢桩、孤石等。
隧道采用2台德国海瑞克公司制造的f6.6 m土压平衡铰接式盾构掘进,隧道外径为6.35 m,内径为5.8 m,最大埋深为30 m。隧道衬砌采用混凝土预制管片(管片宽1.4 m 、厚275 mm),每环由5块标准块和1块封顶块构成。
2 地质条件
盾构沿线穿越的地层变化较大,从海泥到复合土层,再到硬度达200MPa的硬岩。特别是在复合土层,隧道开挖面常常是一半为岩石,一半为软土;或者软土中夹带孤石,给施工带来较大的难度。
主要穿越的地层有老冲积层(OA)、中风化岩层(S2)和弱风化岩层(S3),具体的性能指标见表1。
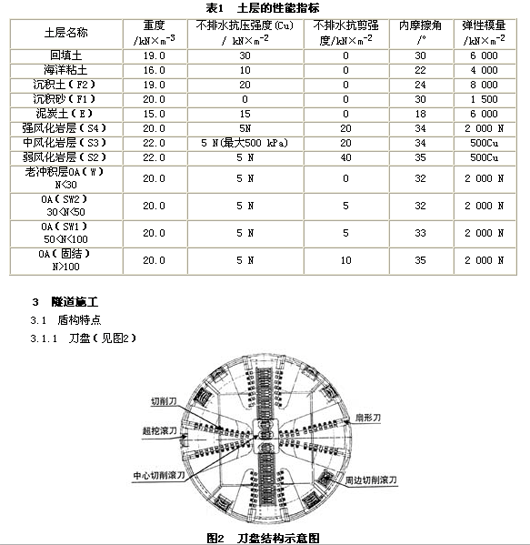
⑴ 整个刀盘由5个部分组成,中间主体部分同主驱动相连;外围4个部分是拼合而成的。在施工结束后,刀盘可从隧道内拆除,中间主体部分还可重复使用;
⑵ 刀盘外围配置了2组仿形刀。一组仿形刀采用滚刀类型,满足岩石地层需要;另一组为刮刀类型,满足软土地层需要。其动力采用液压供给,操作控制分为手动和自动2种模式;
Figure 2. cutter head
⑶ 施工中刀盘可前后伸缩200 mm,便于工人进入土仓割除H钢、操作人员能快捷地清除连续墙内的钢筋,更换刀具也更加容易;
⑷ 刀盘驱动设计为正、反转2种模式,转速分为2挡(无级调速);
⑸ 刀盘的开口率为28%,可防止直径大于300 mm的孤石进入土仓卡住螺旋机;
⑹ 将刮刀本体镶嵌的合金片用堆焊耐磨合金代替,从而大大减少了损耗量。
3.1.2 拼装机
⑴ 拼装机的前后行走采用轮轨形式,行程约2 m左右(可以伸至上一环管片);
⑵ 当盾尾密封刷损坏需要更换或盾尾刷间的密封槽充满浆块时,拼装机可以拆除盾尾刷处的管片;
⑶ 拼装机头部可以容许管片在6个自由度方向旋转,使管片拼装更加准确、便捷。
3.1.3 铰接装置
盾尾与主盾的连接采用铰接形式,使盾构操作更加灵活,特别是在曲线段推进时,效果更加明显。
3.1.4 检测、控制系统
⑴ 在刀盘的2把挖齿上,配备了刀具磨损检测系统,当刀具磨损到规定的程度,系统将会发出警告信号,即在不开仓情况下,可了解刀具磨损情况。
⑵ 皮带运输系统装置了出土自动称重系统,监控出土量,避免超挖而引起地面沉降,称重系统准确度偏差在10%以内。
⑶ 局部气压系统包括2个气压舱(增减压舱室、工作区舱室)、气压调节装置等,可在需要气压的条件下进行刀具更换、 割除H钢桩基。
⑷ Siemens PLC控制系统内设置了连锁保护装置,避免误操作而损坏设备,只要某一个系统出现问题,其他系统将停止运转,并将问题显示在显示屏上,便于工作人员及时解决。
⑸ SLS-T 隧道轴线导向系统,能够将盾构的姿态信息,及时、准确地反馈给盾构操作人员,经调整后,使推进的轴线与设计轴线保持一致。该系统还具有“预选环”的功能,工程师只要输入盾尾间隙值,该系统就会根据千斤顶、铰接的行程,自动计算出下几环管片的位置,供操作人员参考。
3.2 盾构推进
3.2.1 穿越Y-Junction
在盾构穿越Y-Junction前,已完成地下连续墙施工,并在盾构穿越位置预留7 m直径的洞圈,洞圈处连续墙的钢筋由玻璃纤维代替,以便盾构穿越。
盾构在临时段推进120 m后,南线盾构以3%的坡度往下推进,北线盾构以4%的坡度向上推进。在进Y-Junction区域时,盾构沿半径为250 m的左转隧道轴线推进;在Y-Junction区域内(长45 m),形成上下叠交(间隔3 m);出Y-Junction后,又沿半径为250 m的右转隧道轴线推进,再与永久隧道相连(见图3)。

3.2.2 穿越地下车库桩基群
泛太平洋酒店和千僖广场是新加坡著名的酒店和商业中心,其共用地下车库拥有庞大的车流量,而且许多酒店的供水管道、供电线路也铺设在地下车库两旁。车库上方为交通繁忙的淡马锡大街,而酒店之间的地上观景联络通道也通过立柱支撑在地下车库桩基上。
桩基群由钻孔灌注桩、钢管桩(Raymond Pile )和微型桩组成。其中钢管桩和钻孔灌注桩的深度超过了隧道埋深3 m,有2根钢管桩位于隧道范围内,需在盾构推进过程中进行桩基替换和割除(见图4)。

在车库的立柱、横梁、底板的沉降控制点上,预先安装应力计、测斜仪,在盾构推进过程中,做到定期测量、及时反馈,并根据监测结果及时调整施工参数,以确保整个地下车库的安全。桩基群最大沉降为3 mm,桩基替换未对整个建筑群造成任何影响。
3.2.3 穿越运行中的地铁西南线
⑴ 地铁西南线是20世纪80年代采用新奥法和盾构法2种工法建造的, 其交接处正好位于本隧道的穿越区域,相隔的距离仅3 m。因此,在穿越过程中很有可能造成差异沉降,影响地铁西南线的运行。
⑵ 穿越区域的地层为S2,属中风化岩层,强度较大,自立性好,但容易遇到孤石。强度大,有利于控制沉降,但增加了刀具的磨损量,提高了开仓换刀的频率;强度大,又不利于沉降控制,如果遇到孤石,刀盘不能对其进行有效的切削,使整个开挖面的切削不均匀,导致局部超挖而引起沉降。
⑶ 通过计算和专家的反复论证,盾构2次穿越后的隧道最终沉降必须控制在5 mm以内,否则,运行中的地铁将减速或停运。为此采取了如下措施:
① 按风险等级将穿越区域分成3个区域,分别为±10 m、±20 m、±30 m,见图5。

盾构穿越前需充分了解穿越区域土体的实际情况,预测刀盘的切削能力和换刀周期,调整施工参数。
② 在接近第三警戒区域时,对盾构进行年度保养,消除故障隐患,争取盾构在穿越危险区域时达到零故障率,避免盾构在该区域内作长期停留而引起沉降。
③ 盾构在到达第二警戒区域时,必须进行穿越前的最后一次刀盘维修,更换所有磨损
量超过5 mm的滚刀;将2把周边滚刀换成新刀,保证刀盘的切削半径。确保盾构在第一、第二警戒区域内不进行开仓换刀。
④ 在盾构穿越期间,必须密切注意开挖面的土质变化;按项目组设定的土压力、切削速度等施工参数进行施工;严格控制出土量(不超挖、不欠挖),确保压浆质量。
⑤ 按照设计要求,在盾构穿越前,对运行隧道进行监测布控(见图6)。

盾构2次穿越隧道后,运行隧道的最终沉降值为4 mm,确保了运行隧道的安全。
4 结语
2005年3月8日新加坡地铁环线一期C825标隧道全线贯通。新加坡陆路交通管理局地铁环线一期项目督察(Project Director) Guy Taylor 在接受新加坡海峡时报采访时说道:在新加坡市中心推进的C825隧道,是新加坡历史上最复杂,最困难的工程之一,面临巨大的挑战,通过大家共同的努力,使这条隧道成为新加坡最成功的工程之一。

